Качественные детали и логистика
Оригинальные и аналоговые запчасти с доставкой по России, Казахстану и Беларуси
©2022 PartSell ООО "Система" ИНН 2463123282 ОГРН 1212400004838
Центральный офис: г. Красноярск, Академика Киренского, д.87, пом.4
Телефон: 8 (800) 777-65-74 Email: zakaz@partsell.ru
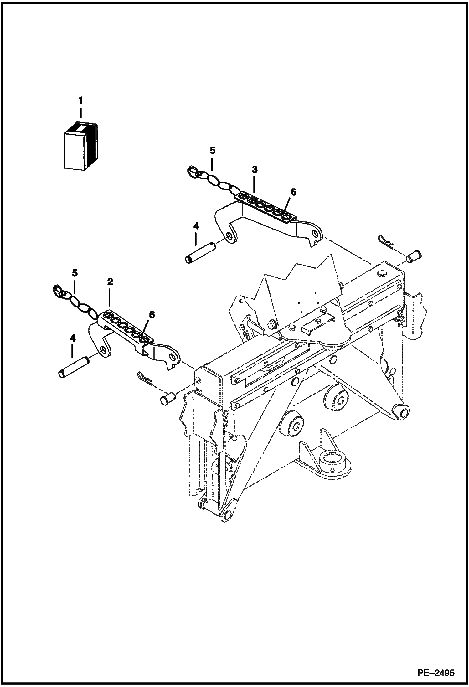
BACKHOE (Mounting Kit for MT50) (M06)
№
Артикул
Название
Примечание
Количество
1
MOUNTING KIT MT50 - Sales #7101551
2
7101521
LOCK, RH W/Ref. 5 & 6
3
7101522
LOCK, LH W/Ref. 5 & 6
4
7102189
PIN
5
6649496
CLICK PIN with chain
6
6905263
STEP
Выбрано товаров: 0