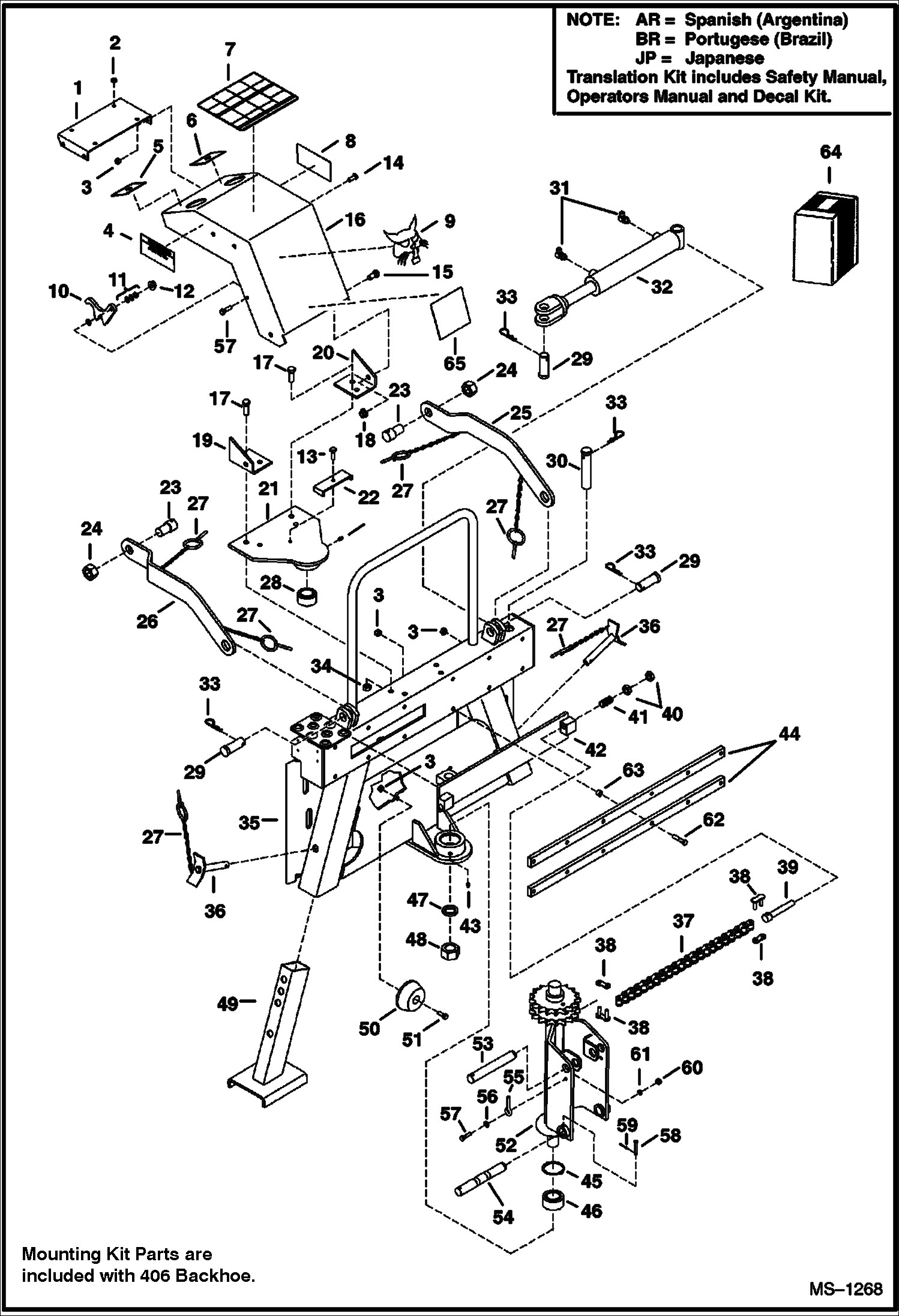
Запчасти Bobcat BACKHOE BACKHOE (Main Frame) (406) (506) 406/506 BACKHOE

Схема запчастей Bobcat BACKHOE - BACKHOE (Main Frame) (406) (506) 406/506 BACKHOE
FIT
1:1
100%

Артикул

Название

Примечание

Количество

1

6906688

COVER

1

7138744

BRACKET

2

85D5

NUT 5

3

85D6

NUT, 5

4

6594488

DECAL, WARNING enter/exit

5

6558050

DECAL operation

6

6558049

DECAL operation

7

6906682

DECAL mounting

8

6701391

DECAL, EXIT

9

6700191

DECAL, LOGO BOBCAT HEAD

10

6906730

LATCH

11

25E17

WASHER 5 Was 25E000035B - D

12

83D5

NUT 5

13

17C620

BOLT

14

25G616

SCREW

15

17C816

BOLT

16

6906694

COVER

17

17C824

BOLT 5

18

83D8

NUT 5

19

6554401

BRACKET

20

6554402

BRACKET

21

6906922

MOUNT

22

7103380

HOSE CLAMP Was 6594098 - A

23

6557887

PIN

24

61D16

LCKNUT

25

6906311

BAR lockout

26

6906312

BAR lockout

27

6649496

CLICK PIN w/chain

28

1307537

BUSHING

29

6557920

PIN

30

6514638

CLEVIS PIN

31

ELBOW NLA - tapered boss face - Was 17KV00005B - A

31

17KB0606

FITTING flat boss face

32

CYLINDER See Illustration BACKHOE/ C2281 See Illustration BACKHOE/ B24734A swing

33

1320075

PIN, COTTER

34

85D8

NUT, 5

35

6906618

MAIN FRAME 406

35

6906877

MAIN FRAME See Illustration BACKHOE/ B20443 See Illustration BACKHOE/ B20442 506

36

6557821

PIN

37

6906702

CHAIN

38

6906703

LINK connector

39

6906717

BOLT

40

7D10

NUT

41

6704453

SPRING

42

6906729

MOUNT

43

10H25

FITTING, GREASE 5

44

6554409

BAR

45

711406

RING

46

713418

BUSHING

47

6554411

WASHER

48

86D20

NUT

49

6557894

STABILIZER

50

6562109

STOP, SWING

51

17C616

BOLT 5

52

6906610

SWING FRAME

53

6554413

PIN

54

6554412

PIN

55

6554414

PIN

56

25E15

WASHER

57

17C520

BOLT 5

58

6512353

CLEVIS PIN clevis

59

1F308

PIN, COTTER

60

61D5

NUT

61

4E5

WASHER

62

17C628

BOLT

63

6512358

SPACER

64

6906686AR

KIT translation - SEE NOTE

64

6906686BR

KIT translation - SEE NOTE

64

6906687AR

KIT decal - SEE NOTE

64

6906687BR

KIT decal - SEE NOTE

64

6906687JP

KIT decal - SEE NOTE

65

7166144

DECAL, WARNING warning - crushing hazard - Was 6960051 - B

Выбрано товаров: 72