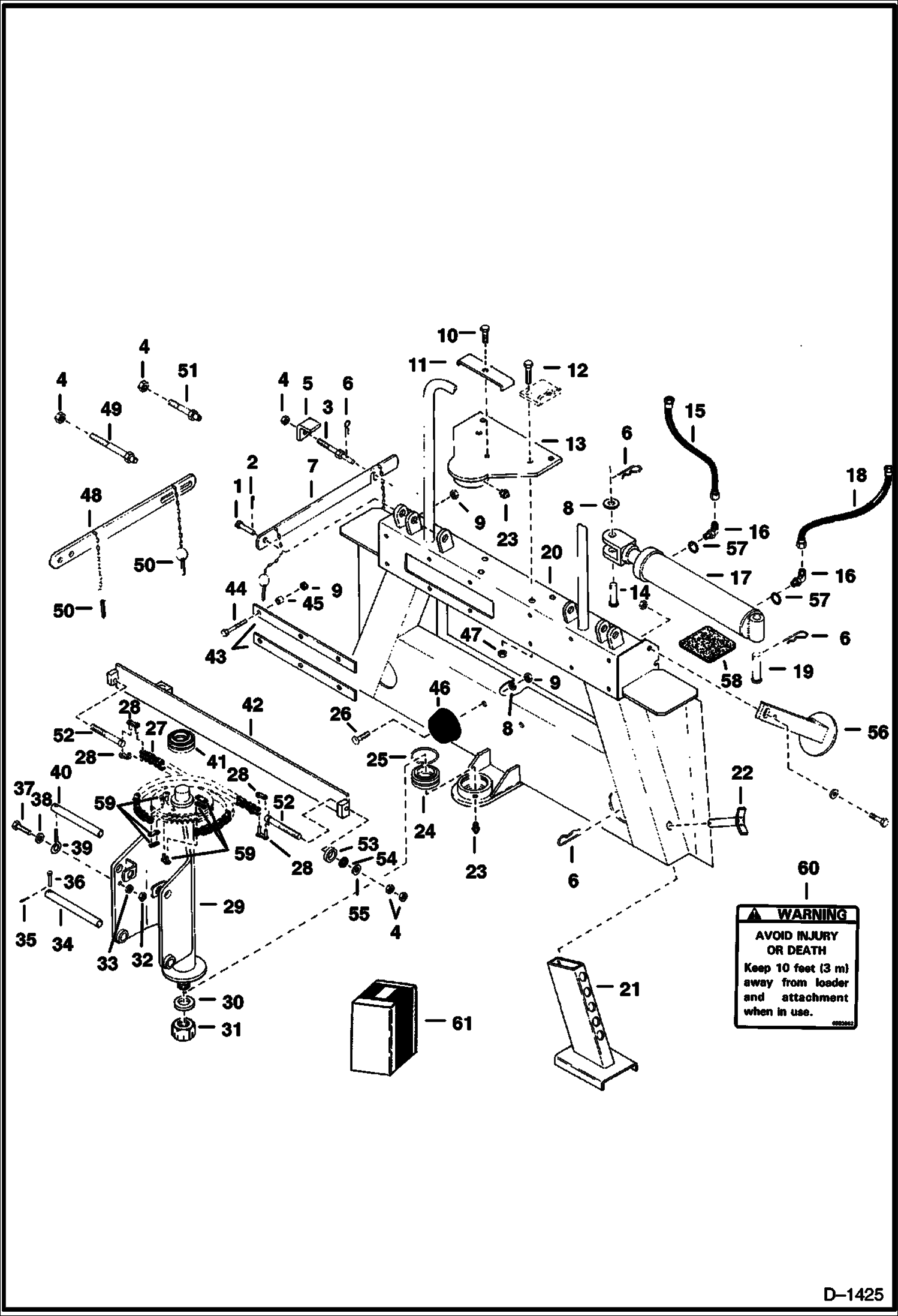
Запчасти Bobcat BACKHOE BACKHOE (Main Frame & Swing Assembly) (905A) (905B) 905 BACKHOE

Схема запчастей Bobcat BACKHOE - BACKHOE (Main Frame & Swing Assembly) (905A) (905B) 905 BACKHOE
FIT
1:1
100%

Артикул

Название

Примечание

Количество

1

6512359

PIN

2

COTTER PIN NLA - Was 1F000520B - A

3

6554418

BOLT

4

7D10

NUT Was 7D000005B - B

5

6554417

BRACKET

6

1320075

PIN, COTTER

7

6513693

BAR ASSY.

7

6554416

BAR

8

25E31

WASHER

9

85D6

NUT, 5

10

17C620

BOLT

11

7103380

HOSE CLAMP Was 6594098 - A

12

17C820

BOLT

13

6906922

MOUNT swing post - Was 6554405 - A

14

6557920

PIN

15

6530884

HOSE Was 6554388 - A

16

17K5

ELBOW W/Ref. 57

17

6554890

CYLINDER See Illustration BACKHOE/ C2281A swing

18

6530892

HOSE Was 6554396 - A

19

6514638

CLEVIS PIN

20

6594095

FRAME mounting

21

6557894

STABILIZER

22

6557821

PIN

23

10H25

FITTING, GREASE 5

24

713418

BUSHING

25

711406

RING

26

17C616

BOLT 5

27

6512900

CHAIN

28

6515191

LINK press fit

29

6554404

POST swing

30

6554411

WASHER

31

86D20

NUT

32

61D5

NUT

33

4E5

WASHER

34

6554412

PIN

35

1F308

PIN, COTTER

36

6512353

CLEVIS PIN

37

17C520

BOLT 5

38

25E15

WASHER

39

6554414

PIN eye

40

6554413

PIN

41

1307537

BUSHING

42

6554407

SLIDE

43

6554409

BAR

44

17C628

BOLT

45

6512358

SPACER

46

6562109

STOP, SWING

47

85D8

NUT, 5

48

6513696

BAR ASSY.

48

6558006

BAR support

49

6558074

BOLT pin

50

6649496

CLICK PIN Was 6513692 - A

51

6558075

BOLT pin

52

6594097

BOLT shoulder

53

6594041

CUP

54

6594090

WASHER rubber

55

6557777

WASHER

56

6557922

BRAKE

57

79K6

O RING 10 Was 91F000005B - A

58

6557935

SAFETY TREAD

59

6632387

LINK spring clip

60

6583862

DECAL, WARNING

61

6713628AR

KIT decal

61

6713628BR

KIT decal

61

6713628JP

KIT decal

61

6713629AR

KIT translation

61

6713629BR

KIT translation

Выбрано товаров: 67