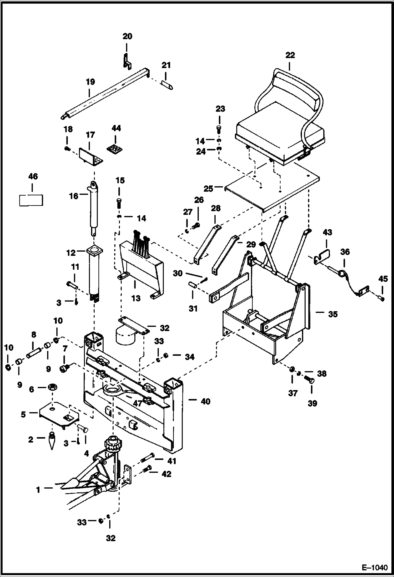
Запчасти Bobcat BACKHOE BACKHOE (Main Frame Stationary Seat) (908) 908 BACKHOE

Схема запчастей Bobcat BACKHOE - BACKHOE (Main Frame Stationary Seat) (908) 908 BACKHOE
FIT
1:1
100%

Артикул

Название

Примечание

Количество

1

BOOM See Illustration BACKHOE/ D1112

2

6502468

SPIKE

3

1F420

CTTR PIN

4

6517955

HINGE PIN

5

6517954

PAD stabilizer - L.H.

5

6518553

PAD stabilizer - R.H.

6

62D20

NUT

7

6517978

GUIDE rack

8

6517953

PIN

9

SPACER NLA - Was 6517952 - A

10

710822

RING

11

6517982

PIN

12

6517983

STABILIZER

13

CONTROL ASSY. See Illustration BACKHOE/ B20446

14

4E6

WASHER

15

17C620

BOLT

16

CYLINDER See Illustration BACKHOE/ B20476 See Illustration BACKHOE/ C1203 stabilizer

17

6517981

COVER foot

18

84G3112

BOLT 5 Was 14G-512 - D

19

STOP See Illustration BACKHOE/ B20455 lift arm

20

6504729

BRACKET

21

6515499

PIN safety

22

SEAT NLA - complete - Was 6515586 - A

22

CUSHION NLA - seat - Was 6515200 - A

22

CUSHION NLA - backrest - Was 6515201 - A

23

17C612

BOLT 5

24

61D6

NUT 5

25

6502412

BRACKET

26

17C716

BOLT

27

4E7

WASHER

28

6502410

BRACE R.H.

29

6502411

BRACE L.H.

30

PIN NLA - Was 1F820 - A

31

6502401

PIN

32

6517979

COVER

33

4E10

WASHER

34

61D10

NUT

35

FRAME NLA - mounting

36

6513633

PIN W/cable

37

61D12

NUT

38

23E12

WASHER Was 4E12 - A

39

17C1244

BOLT

40

MAIN FRAME NLA - Was 6517950 - A

41

15C10104

SCREW

42

17C1024

BOLT

43

6502400

HOOK mounting - weld on

44

6558039

SAFETY TREAD

45

6557836

RIVET

46

6502750

DECAL caution

47

6518997

HOUSING bearing - weld on

Выбрано товаров: 50