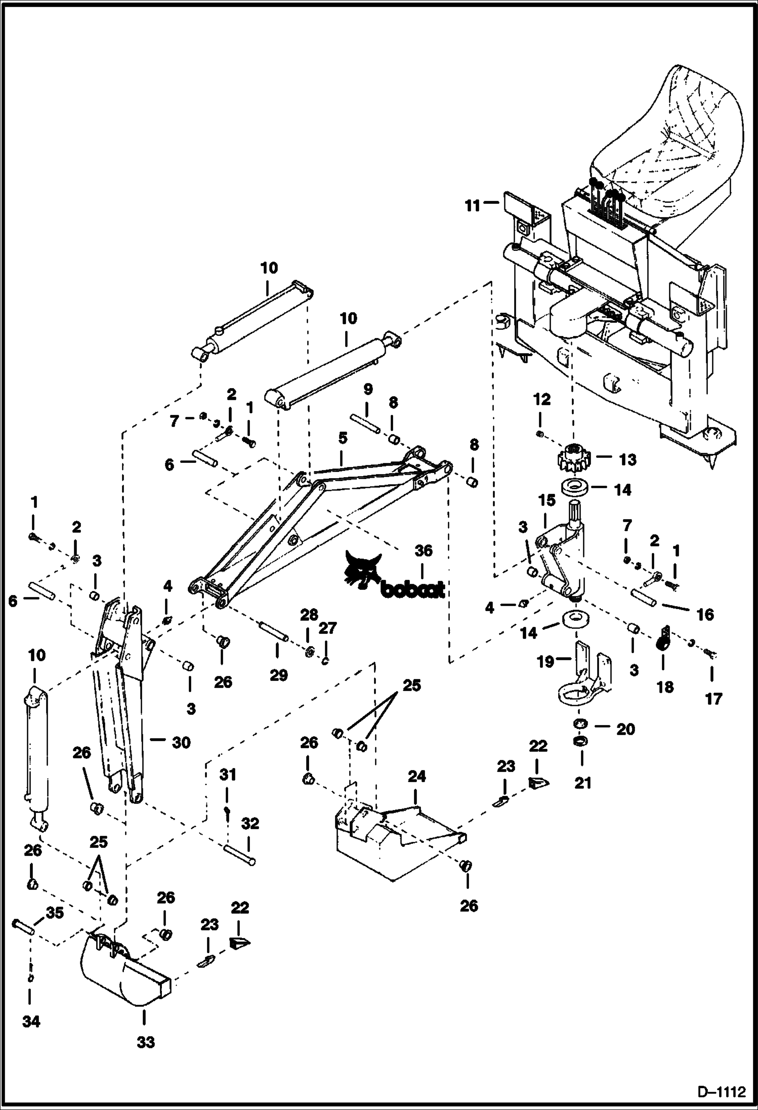
Запчасти Bobcat BACKHOE BACKHOE (Boom, Bucket & Dipperstick) (908) 908 BACKHOE

Схема запчастей Bobcat BACKHOE - BACKHOE (Boom, Bucket & Dipperstick) (908) 908 BACKHOE
FIT
1:1
100%

Артикул

Название

Примечание

Количество

1

17C624

BOLT 5

2

6517976

RETAINER

3

6517959

BUSHING

4

10H35

FITTING, GREASE 10

5

6517965

BOOM W/Ref. 8 & 26

6

6517975

PIN

7

61D6

NUT 5

8

6517964

BUSHING

9

6517977

PIN

10

CYLINDER See Illustration BACKHOE/ B3315 See Illustration BACKHOE/ C1202

11

MAIN FRAME See Illustration BACKHOE/ D1174 See Illustration BACKHOE/ E1040

12

SET SCREW NLA - Was 15G000608B - A

13

6517956

GEAR swing

14

6517957

BEARING

15

6517958

POST swing - W/Ref. 3 & 4

16

6518551

PIN

17

17C816

BOLT

18

6517960

BUMPER

19

6517961

HOUSING

20

6517963

WASHER

21

6517962

NUT spanner

22

1550017

TOOTH, BUCKET 25

23

6515119

SHANK

24

BUCKET See Illustration BACKHOE/ B20454 SALES - bell hole

25

6517985

BUSHING

26

6517966

BUSHING

27

710822

RING Was 659764B - B

28

6517968

WASHER

29

6517967

PIN

30

6517969

CROWD W/Ref. 3 & 4

31

1F1232

PIN

32

6517970

PIN

33

BUCKET See Illustration BACKHOE/ B20454 SALES - std.

34

1F828

PIN

35

6517971

PIN

36

6560986

DECAL, LOGO BOBCAT AND HEAD LH

36

6560987

DECAL logo - R.H.

Выбрано товаров: 37