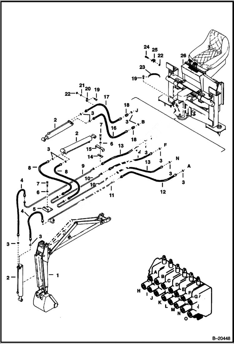
Запчасти Bobcat BACKHOE BACKHOE (Boom & Dipperstick Hydraulics) (D-15 - 00500 & Above) 908 BACKHOE

Схема запчастей Bobcat BACKHOE - BACKHOE (Boom & Dipperstick Hydraulics) (D-15 - 00500 & Above) 908 BACKHOE
FIT
1:1
100%

Артикул

Название

Примечание

Количество

1

BOOM See Illustration BACKHOE/ D1112 W/buckets & dipperstick

2

CYLINDER See Illustration BACKHOE/ B3315 See Illustration BACKHOE/ C1202

3

79K8

O RING 10 Was 91F000006B - A

4

6515450

HOSE

5

6518022

CLAMP

6

4E5

WASHER

7

17C532

BOLT 5

8

6515451

HOSE

9

6518024

TUBE

10

6518021

TUBE

11

6518023

TUBE

12

6515448

HOSE

13

6518018

HOSE

14

6518025

CLAMP

15

6518026

CLAMP

16

6515447

HOSE

17

6515446

HOSE

18

6518028

ADAPTER W/Ref. 3

19

17C412

BOLT 5

20

6518027

CLAMP

21

4E4

WASHER

22

61D4

NUT 5

23

6518019

SPRING hose retainer

24

SCREW NLA - Was 89G000424B - A

25

6518020

CLAMP

26

MAIN FRAME See Illustration BACKHOE/ E1040

Выбрано товаров: 0