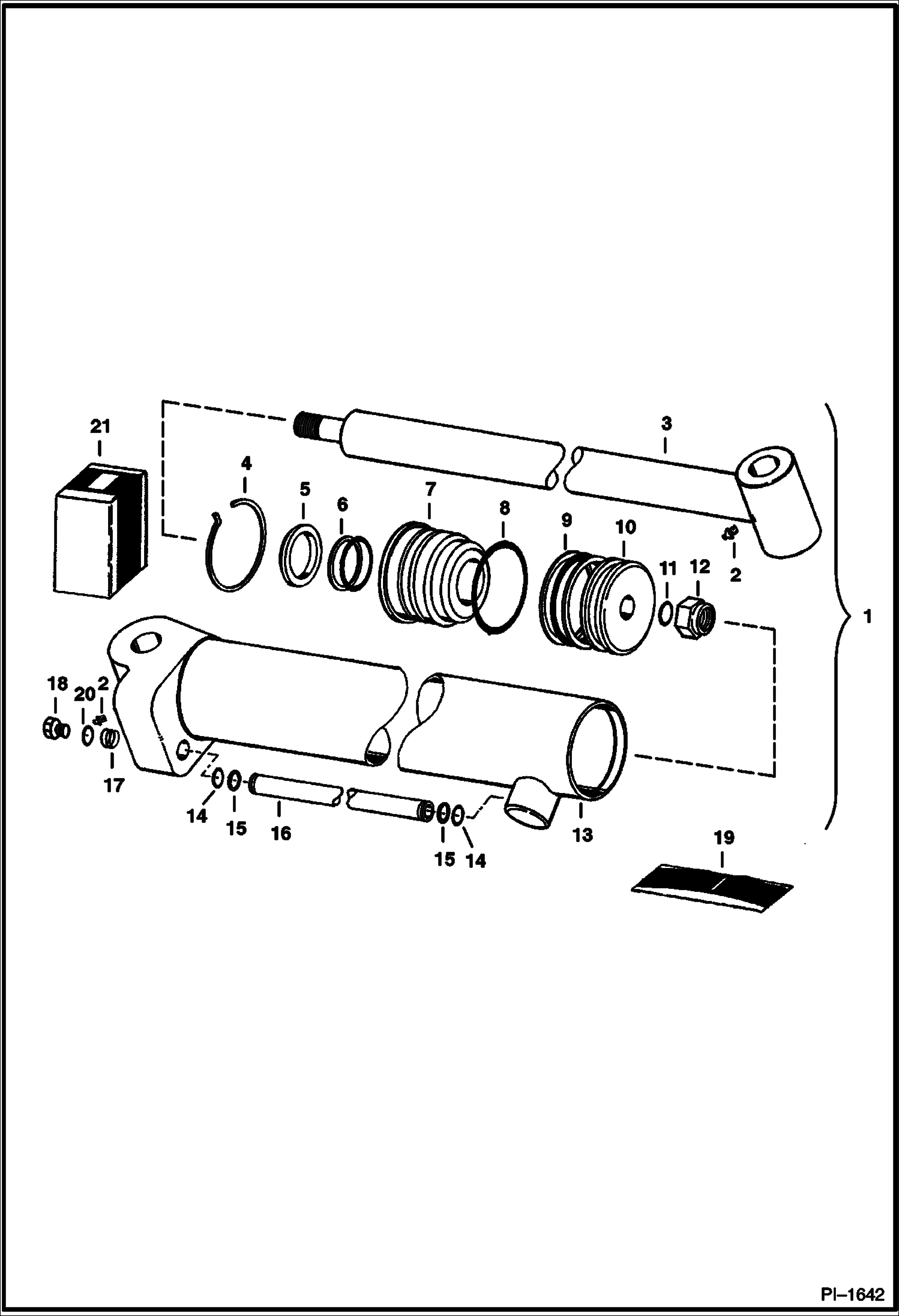
Запчасти Bobcat BACKHOE BACKHOE (Boom, Bucket & Dipperstick Cylinder) (Lantex - Q1531647 & Above) (908) 908 BACKHOE

Схема запчастей Bobcat BACKHOE - BACKHOE (Boom, Bucket & Dipperstick Cylinder) (Lantex - Q1531647 & Above) (908) 908 BACKHOE
FIT
1:1
100%

Артикул

Название

Примечание

Количество

1

CYLINDER See BTI110 NLA - Order 6512877 - fig. 4 for identification

2

GREASE ZERK NLA - Was 10H000002B - A

3

6510920

ROD

4

RETAINER NSS

5

WIPER NSS

6

WASHER NSS - back-up & O-ring

7

6510917

GLAND

8

O-RING NSS

9

WASHER NSS - back-up & O-ring

10

6510918

PISTON

11

O-RING NSS

12

86D16

NUT Was 6511017 - A

13

6510919

CASE

14

25K30014

O RING

15

6518075

RING back-up

16

MANIFOLD NSS

17

SPRING NLA - Was 6510921 - A

18

24K6

FITTING W/Ref. 20

19

6510922

SEAL KIT Ref. 4-6, 8, 9, & 11

20

79K8

O RING 10 Was 91F000006B - A

21

KIT NLA - manifold - Ref. 14-16 - Was 6510923 - A

Выбрано товаров: 21