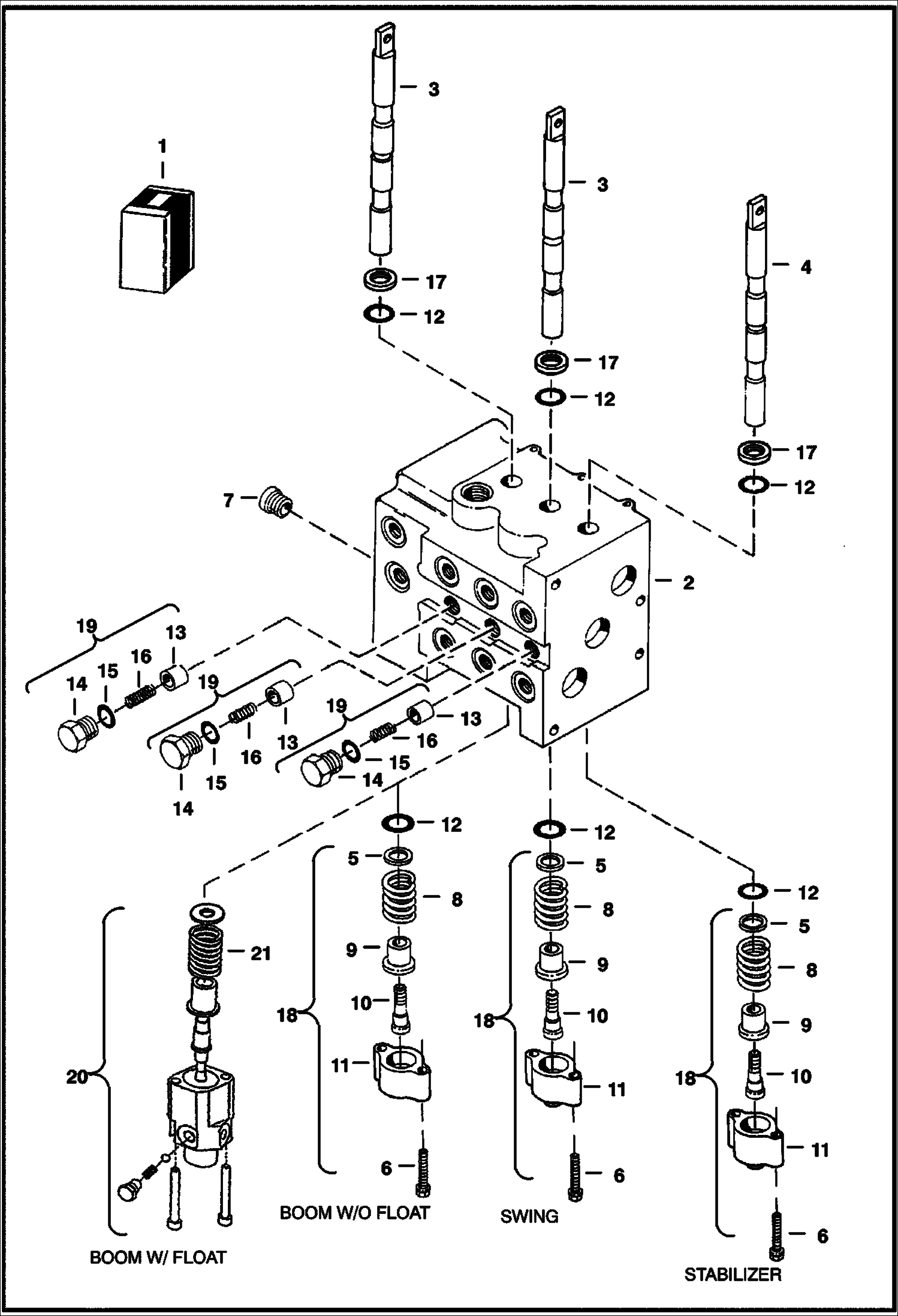
Запчасти Bobcat BACKHOE BACKHOE (Control Valve) (Section) (607 7750) 607 BACKHOE

Схема запчастей Bobcat BACKHOE - BACKHOE (Control Valve) (Section) (607 7750) 607 BACKHOE
FIT
1:1
100%

Артикул

Название

Примечание

Количество

1

VALVE SECTION NLA - W/Ref. 2-16 - Was 6658437 - A

1

VALVE SECTION NLA - Order 6675082 valve & 6805603 decal for 607 & 709, or 6805604 decal for 709FDS - Was 6665555 - A

1

6675082

VALVE, SECTION W/float - W/Ref. 2-17 & 21

2

HOUSING NSS - Order Ref. 1

3

SPOOL NSS - Order Ref. 1

4

SPOOL NSS - Order Ref. 1

5

WASHER NSS - Order Ref. 18

6

BOLT NSS - Order Ref. 18

7

6675080

PLUG Was 6656422 - A

8

SPRING NSS - Order Ref. 18

9

SPACER NSS - Order Ref. 18

10

BOLT NSS - Order Ref. 18

11

END CAP NSS - Order Ref. 18

12

6685530

O-RING Was 6656431 - A

13

6656428

POPPET VALVE

14

6656429

PLUG W/Ref. 15

15

6656432

O-RING

16

6599472

SPRING Was 6656430 - A

17

6685527

RING, WIPER wiper - Was 6658398 - A

18

6656434

KIT spring centering - W/Ref. 5, 6 & 8-11

19

6656433

KIT load check - W/Ref. 13 - 16

20

6675081

KIT centering spring with float - used with Danfoss 156B2348 valve

21

6675363

SPRING centering

Выбрано товаров: 0