Запчасти Bobcat BACKHOE BACKHOE (Boom & Dipperstick) (709 2700 & A54M) (709FDS 5841 & A5F3) 709 BACKHOE

Схема запчастей Bobcat BACKHOE - BACKHOE (Boom & Dipperstick) (709 2700 & A54M) (709FDS 5841 & A5F3) 709 BACKHOE
FIT
1:1
100%

Артикул

Название

Примечание

Количество

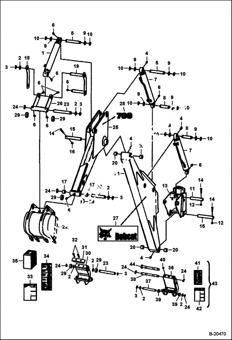
1

CYLINDER See Illustration BACKHOE/ PE2641 See Illustration BACKHOE/ B20472 - bucket

2

6584872

WASHER Was 7136272 - A

3

22J24

RING SNAP Was 6538285 - B

4

12H15

FITTING, GREASE 5

5

6532518

PIN

6

10H25

FITTING, GREASE 5

7

CYLINDER See Illustration BACKHOE/ NA2858 - boom & dipper

8

6532517

PIN

9

6532519

WASHER

10

22J20

SNAP RING Was 6538287 - B

11

6532568

PIN

12

81D6

NUT

13

FRAME See Illustration BACKHOE/ B20459 - swing

14

17C648

BOLT 5

15

6532522

PIN

16

89D6

NUT Was 85D6 - B

17

6560334

BUSHING press-in

18

7114802

LINK Was 6716262 - A

19

6716263

LINK Was 6532528 - A

20

6651171

BUSHING

21

6532491

BOOM, DIPPER ARM

22

BUCKET See Illustration BACKHOE/ MS1378B See Illustration BACKHOE/ B20473

23

6560401

PIN, PIVOT BUCKET

24

6560382

PIN, LOCK ring lock

25

DIPPERSTICK NLA - 8'' wide - Order 6716256 (dipperstick) & (2) of Ref. 29 if using a standard bucket - Was 6532583 - A

25

6716256

DIPPERSTICK 6'' wide - Also Order (2) of Ref. 29 if using a standard bucket

26

HOOK NLA - 8'' wide - Order 6716264 (hook) & (2) of Ref. 29 if using a standard bucket - Was 6537182 - A

26

6716264

LINK, BUCKET MACHINED 6'' wide - Also Order (2) of Ref. 29 if using a standard bucket

27

6808545

DECAL bobcat - R.H. - Was 6557412 - B

27

6808546

DECAL bobcat - L.H. - Was 6557413 - B

27

6815489

DECAL bobcat - used on both sides

28

6535260

DECAL 709

29

6716402

SPACER 1''

30

6714921

ADAPTER bolt-on X-Change - Use W/ 6'' wide Ref. 25 (dipperstick) & 6'' wide Ref. 26 (hook)

31

6804485

PLATE

32

17C1052

BOLT

33

6900862

INSTRUCTIONS for Ref. 35 kit

34

6806121

DECAL bolt-on X-Change

35

KIT bolt-on X-Change adapter - W/Ref. 30-34 - order components - Was SALES #6806079

36

7102949

FRAME pin-on X-change - Use W/ 6'' wide Ref. 25 (dipperstick) & 6'' wide Ref. 26 (hook)

37

7103010

PIN

38

7137214

PIN

39

7103005

BUSHING

40

24K6

FITTING

41

6818059

DECAL using X-change

42

6903304

INSTRUCTIONS for Ref. 43 kit

43

7108080

KIT pin-on X-change - W/Ref. 2, 3, 24, 36-42 - Use W/ 6'' wide Ref. 25 (dipperstick) & 6'' wide Ref. 26 (hook)

44

PIN NLA - Order 7137214 pin & (2) of 6560382 lock rings - Was 6734239 - A

Выбрано товаров: 0