Запчасти Bobcat BACKHOE BACKHOE (Main Frame Hydraulics) (W/5 Sections) (709 A54M) 709 BACKHOE

Схема запчастей Bobcat BACKHOE - BACKHOE (Main Frame Hydraulics) (W/5 Sections) (709 A54M) 709 BACKHOE
FIT
1:1
100%

Артикул

Название

Примечание

Количество

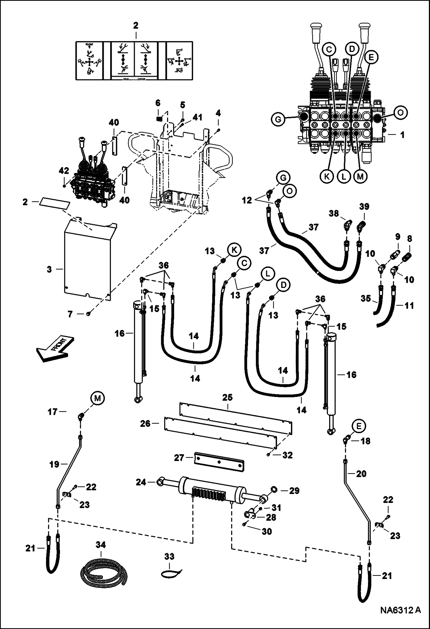
1

VALVE ASSY See Illustration BACKHOE/ NA6133A

2

7131327

DECAL control

3

7130434

COVER

4

17C514

BOLT

5

17C410

BOLT 10

5

17C412

BOLT 5

6

7160765

NUT

7

84G3712

BOLT 5

8

6672960

COUPLER, FF FEMALE straight

9

6674688

COUPLER, FF MALE straight

10

17KB1012

FITTING, HYD ELBOW

11

7131150

HOSE 1422 mm (56'') long - .875'' threads - Use straight couplers

12

17KB1010

FITTING, HYD ELBOW

13

15KB0610

FITTING, HYD CONNECTOR

14

7131137

HOSE

15

77F5

FITTING

16

CYLINDER See Illustration BACKHOE/ C3388A - stabilizer

17

17KB0810

FITTING, HYD ELBOW

18

6816235

FITTING

19

7131261

TUBELINE

20

7131262

TUBELINE

21

6533046

HOSE

22

84G3728

BOLT

23

6502426

CLAMP

24

CYLINDER See Illustration BACKHOE/ NA2813A - swing

25

6532861

SHIM

26

6532860

WEAR PLATE

27

6532859

WEAR BAR

28

6532869

PIN

29

6528927

WASHER

30

84G3728

BOLT

31

89D6

NUT

32

84G3110

SCREW

33

6610510

TIE

34

6649389

HOSE COVER bulk - sold per foot - for Ref. 21 hose

35

7131263

HOSE 1168 mm (46'') long - .875'' threads - Use straight couplers

36

11K5

FITTING

37

6958998

HOSE 1422 mm (56'') long - .87'' thread & 1.063'' thread - Use 90 degree coupler

38

7168432

COUPLER, FF MALE 90 degree

39

7168433

COUPLER, FF FEMALE 90 degree

40

7204403

PLATE, SPACER

41

17C524

BOLT

42

83D5

NUT 5

Выбрано товаров: 43