Запчасти Bobcat BACKHOE BACKHOE (Main Frame) (907) 907 BACKHOE

Схема запчастей Bobcat BACKHOE - BACKHOE (Main Frame) (907) 907 BACKHOE
FIT
1:1
100%

Артикул

Название

Примечание

Количество

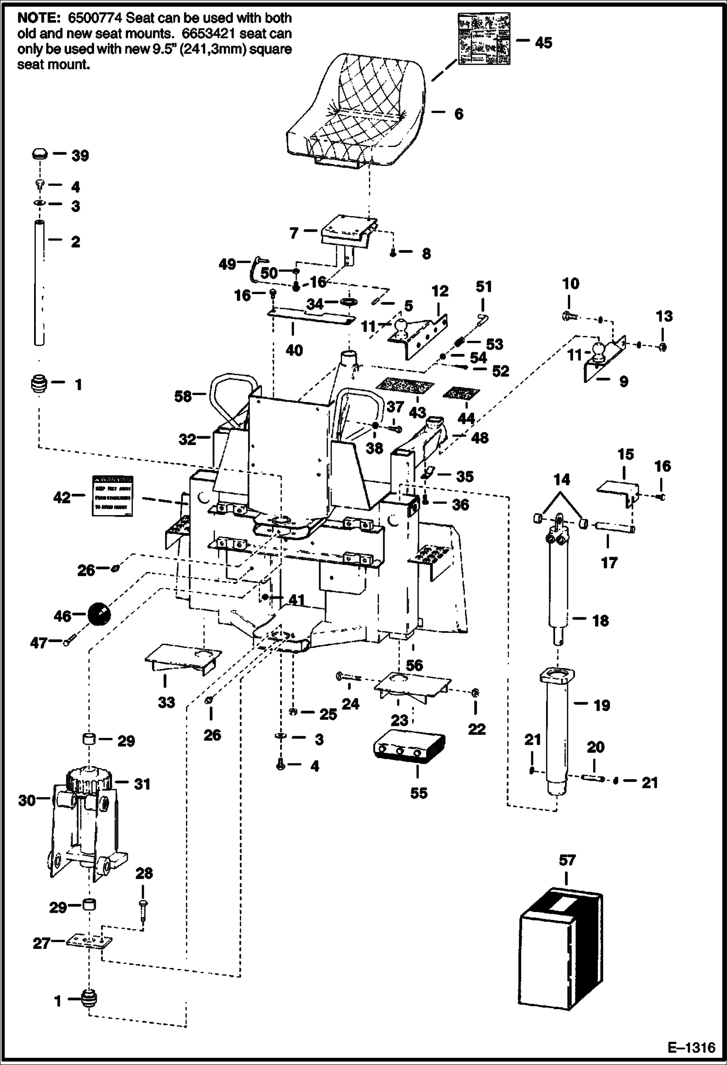
1

6519337

BEARING

2

6592348

SHAFT

3

6560416

WASHER

4

31C1024

BOLT

5

14J3740

PIN

6

6500774

SEAT will fit both seat mounts - Also Order Ref. 45 (6593685 decal)

6

6660148

LOWER SLIDE

6

UPPER SLIDE NLA - Was 6660149 - A

6

SEAT will fit only 9.5 in. x 9.5 in. (241,3 mm x 241,3 mm) seat mount - Also Order Ref. 45 (6593685 decal) - Was 6653421 - A

6

TRACK NLA - W/adj. - Was 6660436 - A

6

TRACK NLA - W/O adj. - Was 6660437 - A

7

MOUNT NLA - 6.5'' x 7.5'' (165,1 mm x 190,5 mm) mounting plate

7

6532792

MOUNT 9.5'' x 9.5'' (241,3 mm x 241,3 mm) mounting plate

8

17C516

BOLT Use W/6500774 seat

8

85D5

NUT 5 Use W/6653421 seat

9

6561942

MOUNT L.H. W/ball - See Ref. 57

10

31C1028

SCREW

11

6539094

BALL Was 6561941 - A

12

6561943

MOUNT R.H. W/ball - See Ref. 57

13

83D10

NUT 5

14

6562482

SPACER

15

6561829

COVER

16

84G3712

BOLT 5

17

6562092

PIN

18

CYLINDER See Illustration BACKHOE/ B20477 See Illustration BACKHOE/ C1203A stab.

19

6593080

GUIDE See BTI221 stabilizer

20

6562093

PIN

21

1315207

RET RING

22

85D10

NUT, 5

23

6563535

PAD See BTI235 when used with Ref. 55 street pad

24

17C1072

BOLT

25

61D8

NUT 5

26

10H35

FITTING, GREASE 10

27

6560427

BAR retainer

28

17C844

BOLT

29

6513682

RACE

30

6561898

FRAME swing - W/Ref. 29 & 31

31

GEAR NSS

32

6592866

MAIN FRAME

33

6563534

PAD See BTI235 when used with Ref. 55 street pad

34

6558680

WASHER

35

6562596

GUIDE

36

17C812

BOLT

37

17C1232

BOLT

38

7D12

NUT

39

6598371

CAP

40

6562241

COVER tubes

41

61D6

NUT 5

42

6583862

DECAL, WARNING Was 6562922 - A

43

6557935

SAFETY TREAD

44

6553976

SAFETY TREAD 127 x 203 mm (5 x 8'')

45

6593685

DECAL

46

6562109

STOP, SWING

47

17C616

BOLT 5

48

6562600

COUPLER See Illustration BACKHOE/ B4293

49

6511880

PIN

50

7D6

NUT

51

6592836

PIN

52

301939

PIN

52

1F308

PIN, COTTER

53

6610082

SPRING

54

25E15

WASHER

55

6632446

PAD See BTI235 weld on

56

6593058

BLOCK See BTI221 guide

57

KIT See Illustration BACKHOE/ B20479 SALES - mounting - Ref. 9-13

58

6805233

TUBE weld on - Was 6560876 - A

Выбрано товаров: 66