Качественные детали и логистика
Оригинальные и аналоговые запчасти с доставкой по России, Казахстану и Беларуси
©2022 PartSell ООО "Система" ИНН 2463123282 ОГРН 1212400004838
Центральный офис: г. Красноярск, Академика Киренского, д.87, пом.4
Телефон: 8 (800) 777-65-74 Email: zakaz@partsell.ru
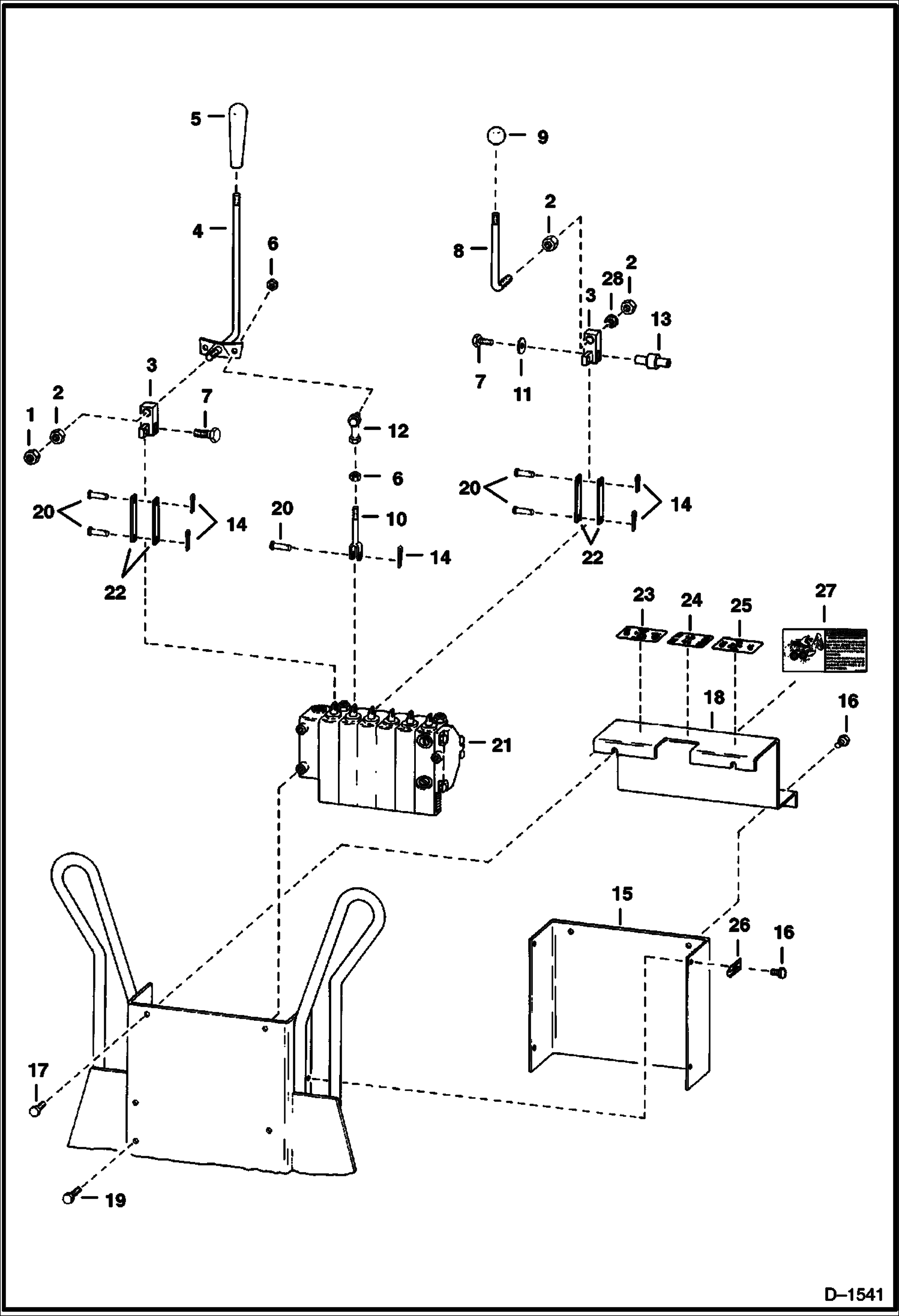
BACKHOE (Control Levers with Cessna Valve) (907 195600101 - 01425)
№
Артикул
Название
Примечание
Количество
1
85D8
NUT, 5
2
61D8
NUT 5
3
BLOCK NLA - steel - Order 6591949 Ref. 28
6591949
BLOCK cast - aluminum
4
6592559
LEVER
5
6510093
HANDLE GRIP
6
62D5
NUT
7
17C510
BOLT
8
6560871
9
6515888
KNOB
10
6560058
YOKE
11
25E16
WSHR
12
6512356
BALL JOINT
13
6561538
PIN spacer
14
1F308
PIN, COTTER
15
6560877
PANEL
16
17C408
17
6557283
18
6560878
COVER
19
17C712
20
6560872
PIN
21
VALVE See Illustration BACKHOE/ D1561
22
6561553
LINK
23
6558050
DECAL
24
6561397
25
6558049
26
6513992
RETAINER
27
6596591
DECAL Was 6562925 - A
28
6599359
WASHER
Выбрано товаров: 0