Запчасти Bobcat BACKHOE BACKHOE (Control Levers with Husco Valve) (907 195601426 & Above) 907 BACKHOE

Схема запчастей Bobcat BACKHOE - BACKHOE (Control Levers with Husco Valve) (907 195601426 & Above) 907 BACKHOE
FIT
1:1
100%

Артикул

Название

Примечание

Количество

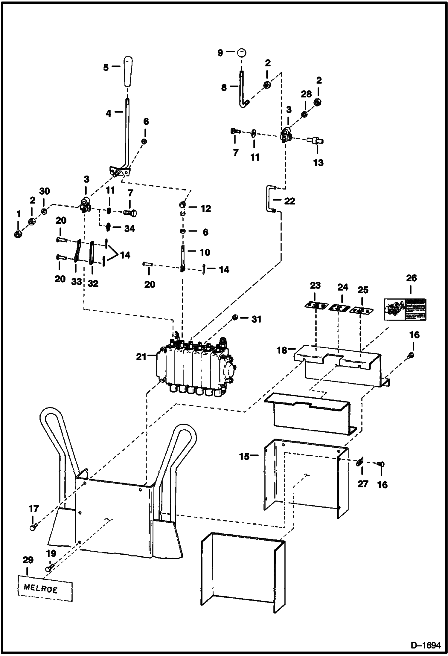
1

85D8

NUT, 5

2

7D8

NUT 5

3

6591949

BLOCK cast - aluminum

4

6592559

LEVER

5

6510093

HANDLE GRIP

6

62D5

NUT

7

17C510

BOLT

8

6560871

LEVER

9

6515888

KNOB

10

6592810

ROD

11

25E16

WSHR

12

6512356

BALL JOINT

13

6561538

PIN spacer

14

1F208

PIN

15

6560877

PANEL

16

17C412

BOLT 5

17

84G3112

BOLT 5 Was 6557283 - B

18

6560878

COVER

19

17C620

BOLT

20

6592812

PIN

21

VALVE See Illustration BACKHOE/ E1622

22

6529533

LINK

23

6558050

DECAL

24

6561397

DECAL

25

6558049

DECAL

26

6596591

DECAL warning - Was 6562925 - A

27

6513992

RETAINER

28

6599359

WASHER

29

6569849

DECAL

30

25E21

WASHER 5

31

85D6

NUT, 5

32

6592808

LINK

33

6592809

LINK

34

1315207

RET RING

Выбрано товаров: 34