Качественные детали и логистика
Оригинальные и аналоговые запчасти с доставкой по России, Казахстану и Беларуси
©2022 PartSell ООО "Система" ИНН 2463123282 ОГРН 1212400004838
Центральный офис: г. Красноярск, Академика Киренского, д.87, пом.4
Телефон: 8 (800) 777-65-74 Email: zakaz@partsell.ru
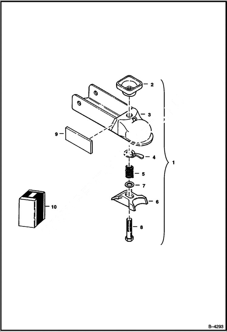
BACKHOE (Coupler Assembly) (907)
№
Артикул
Название
Примечание
Количество
1
6562600
COUPLER Ref. 2-8
2
WHEEL NSS
3
HOUSING NSS
4
LATCH NSS - Was 6598297 - A
5
SPRING NSS
6
CLAMP NSS
7
25E25
WASHER 10
8
11C1044
BOLT Was 17C001044B - B
9
6592196
BRACKET See BTI200
10
6598834
KIT repair - Ref. 2 & 4-8
Выбрано товаров: 0