Качественные детали и логистика
Оригинальные и аналоговые запчасти с доставкой по России, Казахстану и Беларуси
©2022 PartSell ООО "Система" ИНН 2463123282 ОГРН 1212400004838
Центральный офис: г. Красноярск, Академика Киренского, д.87, пом.4
Телефон: 8 (800) 777-65-74 Email: zakaz@partsell.ru
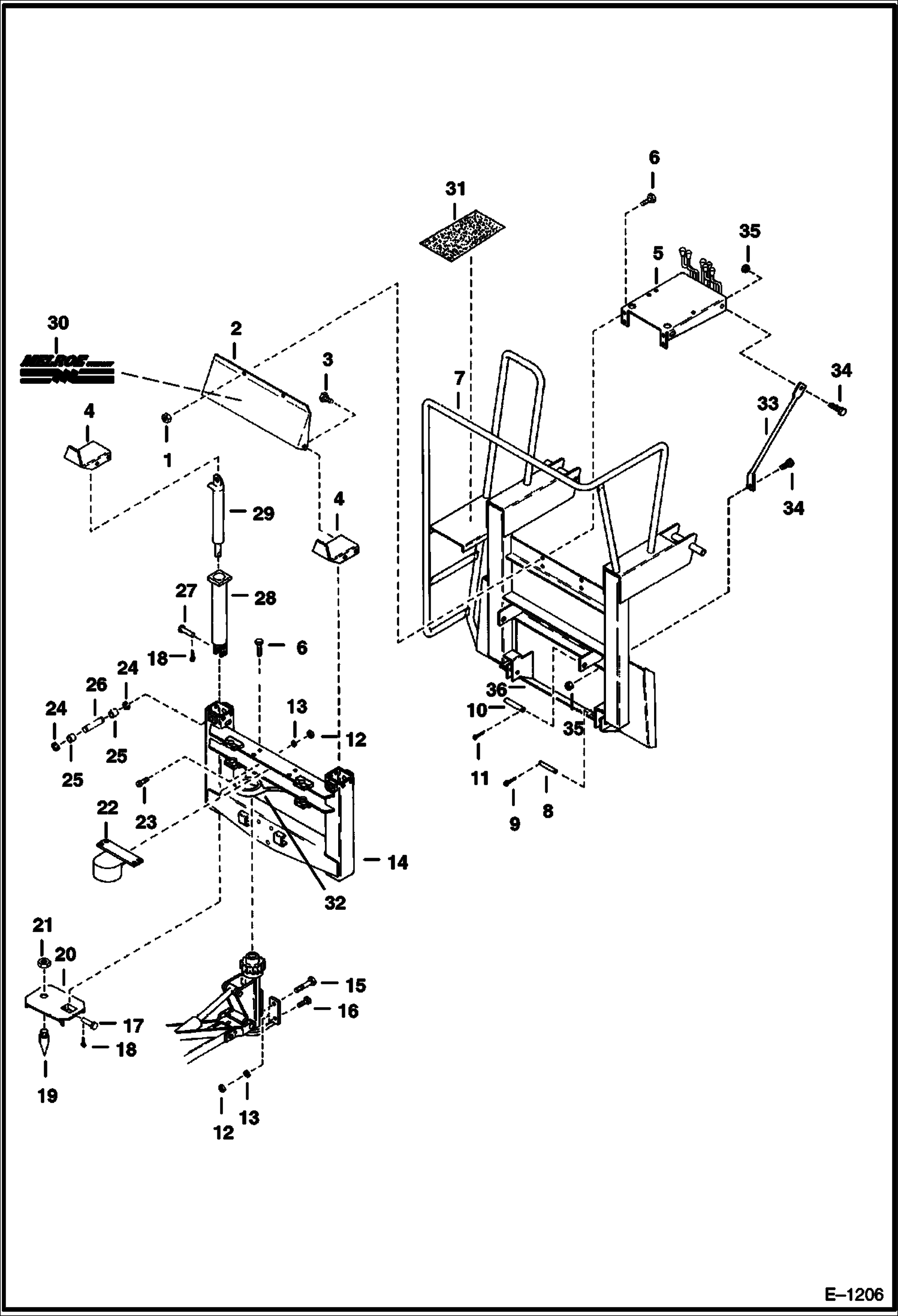
BACKHOE (Main Frame) (908A)
№
Артикул
Название
Примечание
Количество
1
81D6
NUT
2
6558060
COVER
3
84G3112
BOLT 5 Was 14G-512 - A
4
6517981
5
CONTROL ASSY. See Illustration BACKHOE/ E1209
6
17C620
BOLT
7
6557803
MAIN FRAME
8
6546986
PIN
9
1F620
PIN COTTE
10
6502401
11
PIN NLA - Was 1F820 - A
12
61D10
13
4E10
WASHER
14
FRAME NLA - Was 6517950 - A
15
15C10104
SCREW
16
17C1024
17
6517955
HINGE PIN
18
1F420
CTTR PIN
19
6502468
SPIKE
20
6517954
PAD L.H.
6518553
PAD R.H.
21
62D20
22
6517979
23
6517978
GUIDE
24
710822
RING
25
6517952
SPACER
26
6517953
27
6517982
28
6517983
STABILIZER
29
CYLINDER See Illustration BACKHOE/ B20477A See Illustration BACKHOE/ C1203B
30
6569849
DECAL
31
6557902
SAFETY TREAD
32
6518997
HOUSING
33
6560970
BRACE
34
17C612
BOLT 5
35
61D6
NUT 5
36
6561746
CROSSMEMBER
Выбрано товаров: 0