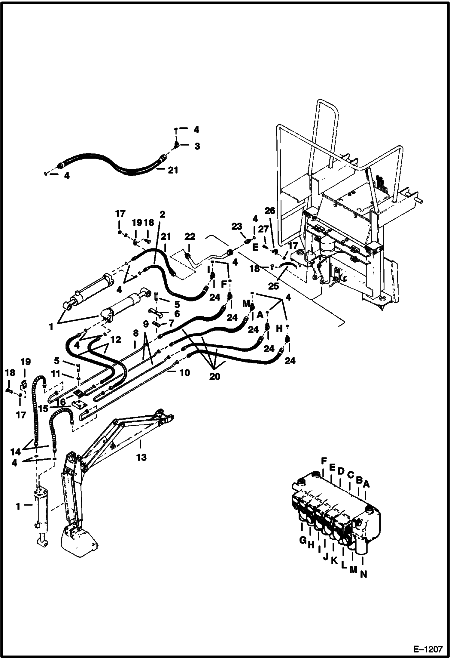
Запчасти Bobcat BACKHOE BACKHOE (Boom Hydraulic Circuitry) (With Old Cylinder) (908A) 908A/908B BACKHOE

Схема запчастей Bobcat BACKHOE - BACKHOE (Boom Hydraulic Circuitry) (With Old Cylinder) (908A) 908A/908B BACKHOE
FIT
1:1
100%

Артикул

Название

Примечание

Количество

1

CYLINDER See Illustration BACKHOE/ B3315A See Illustration BACKHOE/ C2885A BTI 110

2

6557833

HOSE

3

18K6

FITTING W/Ref. 4

4

79K8

O RING 10

5

17C532

BOLT 5

6

6518026

CLAMP

7

6518025

CLAMP

8

6510134

TUBE

9

6510135

TUBE

10

6510133

TUBE

11

4E5

WASHER

12

6510195

HOSE

13

BOOM See Illustration BACKHOE/ E1208

14

6510181

HOSE

15

6518022

CLAMP

16

6510318

CUSHION

17

61D4

NUT 5

18

17C412

BOLT 5

19

6518027

CLAMP

20

6558362

HOSE

21

6559885

HOSE 1778 mm (70'') long - Use W/Ref. 22 & 23

21

6557833

HOSE 1981.20 mm (78'') long

22

6559874

TUBE

23

15K6

ADAPTER W/Ref. 4

24

6812820

ELBOW W/Ref. 4 - Was 6511914 - A

25

6518019

SPRING

26

6518020

CLAMP

27

SCREW NLA - Was 89G000424B - A

Выбрано товаров: 0