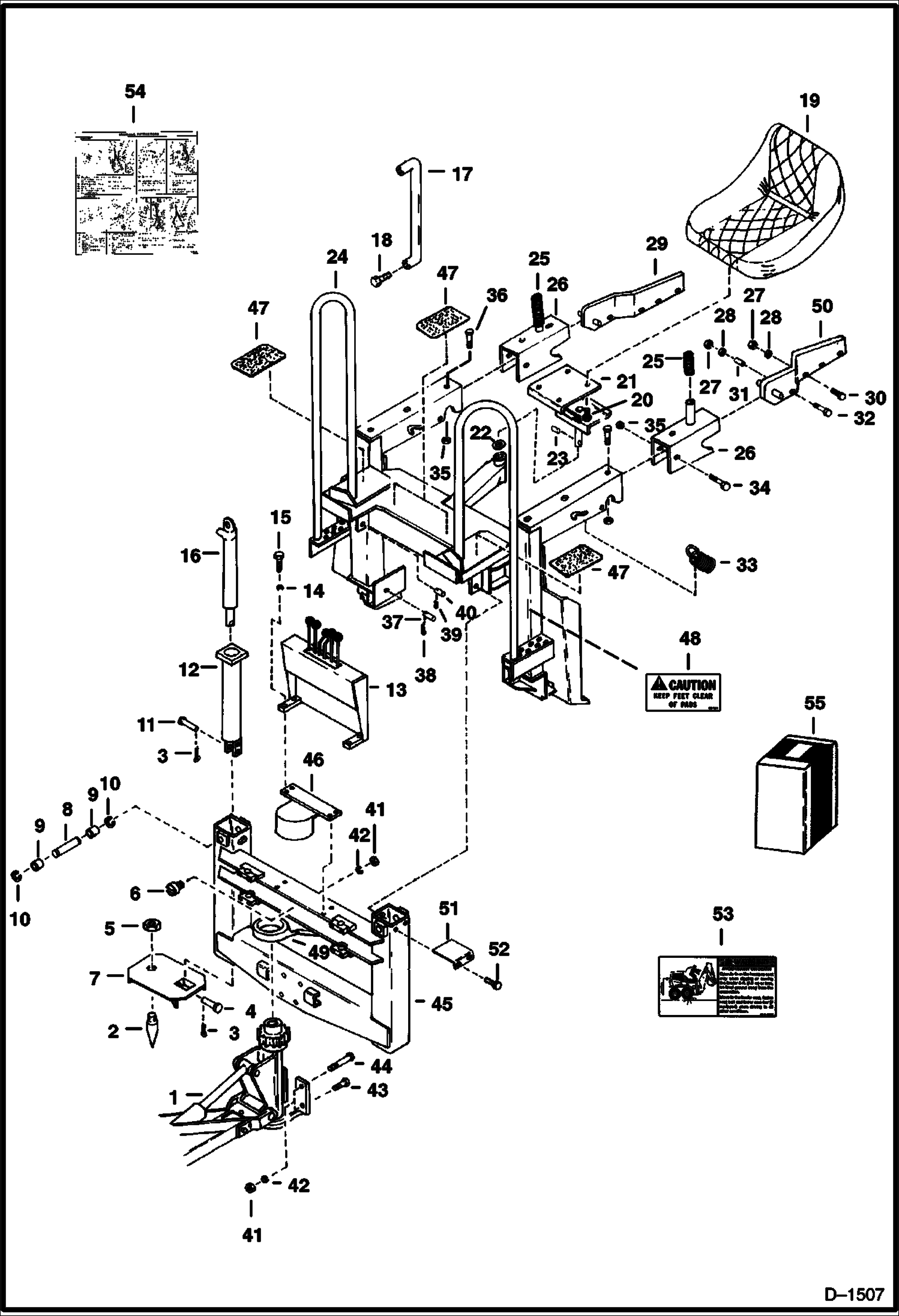
Запчасти Bobcat BACKHOE BACKHOE (Main Frame) (908B) 908A/908B BACKHOE

Схема запчастей Bobcat BACKHOE - BACKHOE (Main Frame) (908B) 908A/908B BACKHOE
FIT
1:1
100%

Артикул

Название

Примечание

Количество

1

BOOM See Illustration BACKHOE/ E1271

2

6502468

SPIKE

3

1F420

CTTR PIN

4

6517955

HINGE PIN

5

62D20

NUT

6

6517978

GUIDE

7

6518553

PAD stabilizer - R.H.

7

6517954

PAD stabilizer - L.H.

8

6517953

PIN

9

SPACER NLA - Was 6517952 - A

10

710822

RING

11

6517982

PIN

12

6517983

STABILIZER

13

CONTROL ASSY. See Illustration BACKHOE/ B20481

14

4E6

WASHER

15

17C620

BOLT

16

CYLINDER See Illustration BACKHOE/ B20477A See Illustration BACKHOE/ C1203B

17

6558504

HANDLE grab

18

17C512

BOLT 5

19

6500774

SEAT Also Order Ref. 54 (6560448 decal)

19

6660148

LOWER SLIDE

19

UPPER SLIDE NLA - Was 6660149 - A

20

17C516

BOLT

21

6532792

MOUNT seat - Was 6592837 - A

22

6558680

WASHER

23

14J3740

PIN

24

FRAME NSS - mounting - Order 6560745 kit - Was 6560692 - A

25

6513963

GRIP

26

6560270

BRACKET

27

83D8

NUT 5

28

27E8

WASHER 10

29

6560283

MOUNT R.H.

30

17C824

BOLT 5

31

6560585

SPACER

32

17C848

BOLT

33

6560602

SPRING

34

17C656

BOLT

35

85D6

NUT, 5

36

17C612

BOLT 5

37

6546986

PIN

38

1F620

PIN COTTE

39

1318566

PIN

40

6502401

PIN

41

61D10

NUT

42

4E10

WASHER

43

17C1024

BOLT

44

15C10104

SCREW

45

FRAME NLA - backhoe - Was 6517950 - A

46

6517979

COVER

47

6558039

SAFETY TREAD

48

6558051

DECAL

49

6518997

HOUSING upper

50

6560286

MOUNT L.H.

51

6562638

COVER

52

31C508

BOLT

53

6596591

DECAL warning - Was 6562925 - A

54

6560448

DECAL mtg. instr.

55

6560749

KIT mounting - Ref. 27-32 & 50

55

KIT See Illustration BACKHOE/ B20481 NLA - to convert 908 backhoe to 908B Ref 19-36, 50-52, 54 & Ref. 2-8 Order components - Was 6560745 - A

Выбрано товаров: 59