Запчасти Bobcat BACKHOE BACKHOE (Main Frame) (909) 909 BACKHOE

Схема запчастей Bobcat BACKHOE - BACKHOE (Main Frame) (909) 909 BACKHOE
FIT
1:1
100%

Артикул

Название

Примечание

Количество

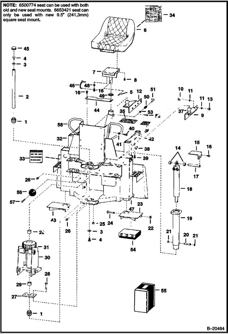
1

6519337

BEARING

2

6592349

SHAFT

3

6560416

WASHER

4

31C1024

BOLT

5

14J3740

PIN

6

6500774

SEAT will fit both seat mounts - Also Order Ref. 34 (6593685 decal)

6

6660148

LOWER SLIDE

6

UPPER SLIDE NLA - Was 6660149 - A

6

SEAT NLA - will fit only 9.5 in. x 9.5 in. (241,3 mm x 241,3 mm) seat mount - Also Order Ref. 34 (6593685 decal) - Was 6653421 - A

6

TRACK NLA - W/adj. - Was 6660436 - A

6

TRACK NLA - W/O adj. - Was 6660437 - A

7

MOUNT NLA - 6.5'' x 7.5'' (165,1 mm x 190,5 mm) mounting plate

7

6532792

MOUNT 9.5'' x 9.5'' (241,3 mm x 241,3 mm) mounting plate

8

85D5

NUT 5 Use W/6653421

8

17C516

BOLT Use W/6500774

9

6561942

MOUNT L.H. - W/ball - See Ref. 55

10

31C1028

SCREW

11

27E10

WASHER

12

6561943

MOUNT R.H. - W/Ball - See Ref. 55

13

83D10

NUT 5

14

6562482

SPACER

15

6561829

COVER

16

84G3712

BOLT 5

17

6562092

PIN

18

CYLINDER See Illustration BACKHOE/ B20477B See Illustration BACKHOE/ C1203C stab.

19

6593080

GUIDE See BTI221 stabilizer

20

6562093

PIN

21

1315207

RET RING

22

85D10

NUT, 5

23

6563535

PAD

24

17C1072

BOLT

25

61D8

NUT 5

26

10H25

FITTING, GREASE 5

27

6560427

BAR retainer

28

17C844

BOLT

29

6513682

RACE

30

6560845

FRAME swing - W/Ref. 29 & 31

31

6559944

GEAR weld on

32

MAIN FRAME NLA - Was 6592855 - A

33

6583862

DECAL, WARNING Was 6562922 - A

34

6593685

DECAL mounting instructions

35

6553976

SAFETY TREAD 127 x 203 mm (5 x 8'')

36

6557935

SAFETY TREAD 4.5'' x 4.5'' (114,3 mm x 114,3 mm)

37

6539094

BALL latch - Was 6561941 - A

38

6562596

GUIDE

39

17C812

BOLT

40

17C1232

BOLT

41

7D12

NUT

42

6562600

COUPLER See Illustration BACKHOE/ B4293A

43

6563534

PAD

44

6562241

COVER tube

45

6598371

CAP

46

6511880

PIN

47

6593058

BLOCK See BTI221 guide

48

7D6

NUT

49

6558680

WASHER

50

6610082

SPRING

51

6592836

PIN

52

301939

PIN

52

1F308

PIN, COTTER

53

25E15

WASHER

54

6632446

PAD See BTI235 weld on

55

KIT See Illustration BACKHOE/ B20500 SALES - mounting - Ref. 9, 10, 12 & 13

56

6562109

STOP, SWING

57

17C616

BOLT 5

58

6805233

TUBE weld on - Was 6560876 - A

Выбрано товаров: 66