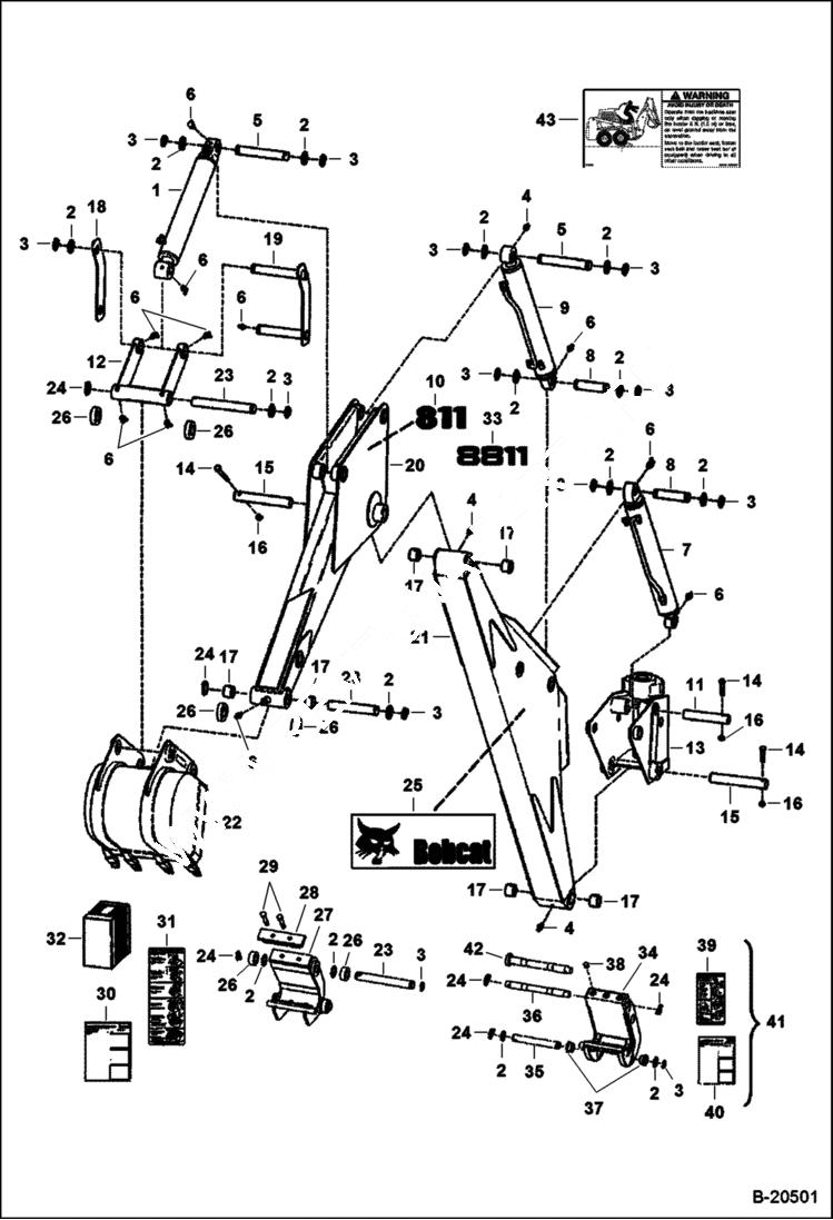
Запчасти Bobcat BACKHOE BACKHOE (Boom & Dipperstick) (811 6300) (8811 6301, A558 & B393) 811/8811 BACKHOE

Схема запчастей Bobcat BACKHOE - BACKHOE (Boom & Dipperstick) (811 6300) (8811 6301, A558 & B393) 811/8811 BACKHOE
FIT
1:1
100%

Артикул

Название

Примечание

Количество

1

CYLINDER See Illustration BACKHOE/ NA2865A See Illustration BACKHOE/ B20472A bucket

2

6584872

WASHER Was 7136272 - A

3

22J24

RING SNAP Was 6538285 - B

4

12H15

FITTING, GREASE 5

5

6560349

PIN

6

10H25

FITTING, GREASE 5

7

CYLINDER See Illustration BACKHOE/ PE2514 See Illustration BACKHOE/ C3247 boom

8

6560350

PIN

9

CYLINDER See Illustration BACKHOE/ PE2514A See Illustration BACKHOE/ C3247A dipper

10

6535261

DECAL 811

11

6560351

PIN

12

HOOK NLA - 8'' wide - Order 6716264 (hook) & (2) of Ref. 26 if using standard buckets - Was 6537182 - A

12

6716264

LINK, BUCKET MACHINED 6'' wide - Also Order qty. 2 of Ref. 26 if using standard buckets

13

6806093

FRAME, SWING Was 6533297 - A

14

17C648

BOLT 5

15

6533340

PIN

16

89D6

NUT Was 85D6 - B

17

6560334

BUSHING press-in

18

7114802

LINK Was 6716262 - A

19

6716263

LINK Was 6532528 - A

20

ARM NLA - 8'' wide - Order 6716257 (arm) & (2) of Ref. 26 if using standards buckets - Was 6533346 - A

20

6716257

ARM 6'' wide - Also Order qty. (2) of Ref. 26 if using standard buckets

21

6533283

BOOM

22

BUCKET See Illustration BACKHOE/ MS1378C See Illustration BACKHOE/ B20504

23

6560401

PIN, PIVOT BUCKET

24

6560382

PIN, LOCK ring lock - 41,3 mm (1.625'') dia.

24

6631038

PIN ring lock - 47,6 mm (1.875'') dia.

25

6808545

DECAL bobcat - R.H. - Was 6557412 - B

25

6808546

DECAL bobcat - L.H. - Was 6557413 - B

25

6815489

DECAL bobcat - used on both sides

26

6716402

SPACER

27

6714921

ADAPTER bolt-on X-Change - Use W/ 6'' wide Ref. 20 (arm) & 6'' wide Ref. 12 (hook)

28

6804485

PLATE

29

17C1052

BOLT

30

6900862

INSTRUCTIONS for Ref. 32 kit

31

6806121

DECAL bolt-on X-Change

32

KIT NLA - bolt-on X-Change adapter - Ref. 27-31 - Order components - Was Sales #6806079 - A

33

6812675

DECAL 8811

34

7102949

FRAME pin-on X-change - Use W/ 6'' wide Ref. 20 (arm) & 6'' wide Ref. 12 (hook)

35

7103010

PIN bucket

36

7137214

PIN

37

7103005

BUSHING

38

24K6

FITTING

39

6818059

DECAL using X-change

40

6903304

INSTRUCTIONS for Ref. 41 kit

41

7108080

KIT pin-on X-change - Ref. 2, 3, 24, 34-40 - Use W/ 6'' wide Ref. 20 (arm) & 6'' wide Ref. 12 (hook)

42

PIN NLA - Order 7137214 pin & (2) of 6560382 lock rings - Was 6734239 - A

43

6596591

DECAL warning

Выбрано товаров: 48