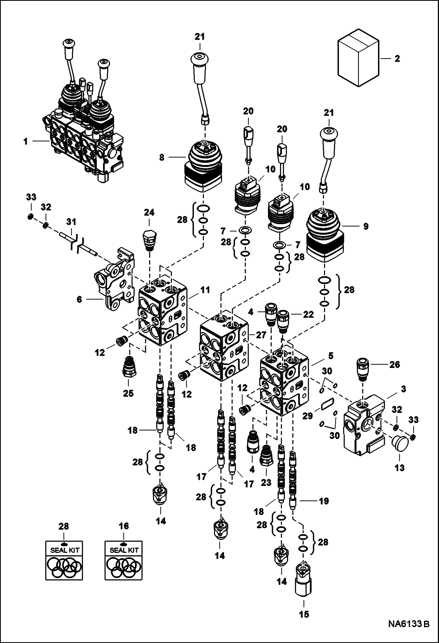
Запчасти Bobcat BACKHOE BACKHOE (Control Valve) (W/5 Sections) (8811 A558 & B393) 811/8811 BACKHOE

Схема запчастей Bobcat BACKHOE - BACKHOE (Control Valve) (W/5 Sections) (8811 A558 & B393) 811/8811 BACKHOE
FIT
1:1
100%

Артикул

Название

Примечание

Количество

1

7204326

VALVE, CONTROL Ref. 2-27

2

7022322

KIT, ROD TIE (3) of Ref. 31 & (6) each of Ref. 32 & 33

3

7022323

SECTION, VALVE inlet

4

7022324

VALVE, RELIEF anti-cavitation

5

BLOCK NLA - Order 7025066 valve section assy - Was 7022325 - D

5

7025066

SECTION, VALVE assy - Ref. 4, 12, 14, 15, 18, 19, 22, 23 & 28

6

7022326

SECTION, VALVE outlet

7

7022513

WASHER

8

JOYSTICK See Illustration BACKHOE/ NA6152B - RH

9

JOYSTICK See Illustration BACKHOE/ NA6152B - LH

10

7022330

LEVER W/Ref. 7

11

BLOCK NLA - Order 7025060 valve section assy - Was 7023319 - D

11

7025060

SECTION, VALVE assy - Ref. 12, 14, 18, 19, 24, 25 & 28

12

7022332

VALVE CHECK

13

7022333

PLUG

14

KIT, SPOOL RETURN SPRING See Illustration BACKHOE/ NA6142B

15

KIT, SPOOL RETURN SPRING See Illustration BACKHOE/ NA6143B

16

7022336

KIT, SEAL Includes Ref. 29 & (4) of Ref. 30

17

7022337

SPOOL, VALVE

18

7022338

SPOOL, VALVE

19

7022339

SPOOL, VALVE

20

7022340

LEVER

21

7022341

LEVER

22

7022342

VALVE, RELIEF anti-cavitation

23

7022343

VALVE, RELIEF

24

7022344

VALVE, RELIEF

25

7022345

VALVE, RELIEF

26

7022505

VALVE, RELIEF

27

BLOCK NLA - Order 7025065 valve section assy - Was 7023320 - D

27

7025065

SECTION, VALVE assy - Ref. 12, 14, 17 & 28

28

7022506

KIT, SEAL one spool

29

O-RING NSS - Order Ref. 16

30

O-RING NSS - Order Ref. 16

31

ROD, TIE NSS - Order Ref. 2

32

7022564

WASHER

33

7023331

NUT

Выбрано товаров: 36