Качественные детали и логистика
Оригинальные и аналоговые запчасти с доставкой по России, Казахстану и Беларуси
©2022 PartSell ООО "Система" ИНН 2463123282 ОГРН 1212400004838
Центральный офис: г. Красноярск, Академика Киренского, д.87, пом.4
Телефон: 8 (800) 777-65-74 Email: zakaz@partsell.ru
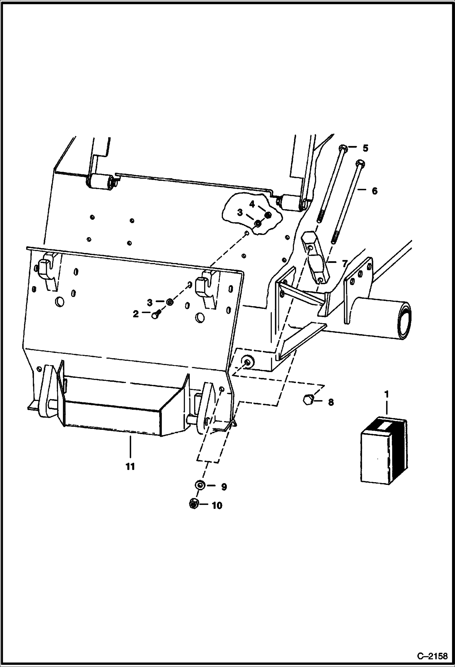
BACKHOE (Mounting Kit) (910) (825 Only)
№
Артикул
Название
Примечание
Количество
1
KIT NLA - mount assy. - Order Ref. 2-11
2
17C828
BOLT
3
27E8
WASHER 10
4
81D8
NUT
5
17C10168
6
17C10192
7
6590657
CLAMP
8
40K12
PLUG
9
27E10
WASHER
10
81D10
11
6553527
MOUNT
Выбрано товаров: 0