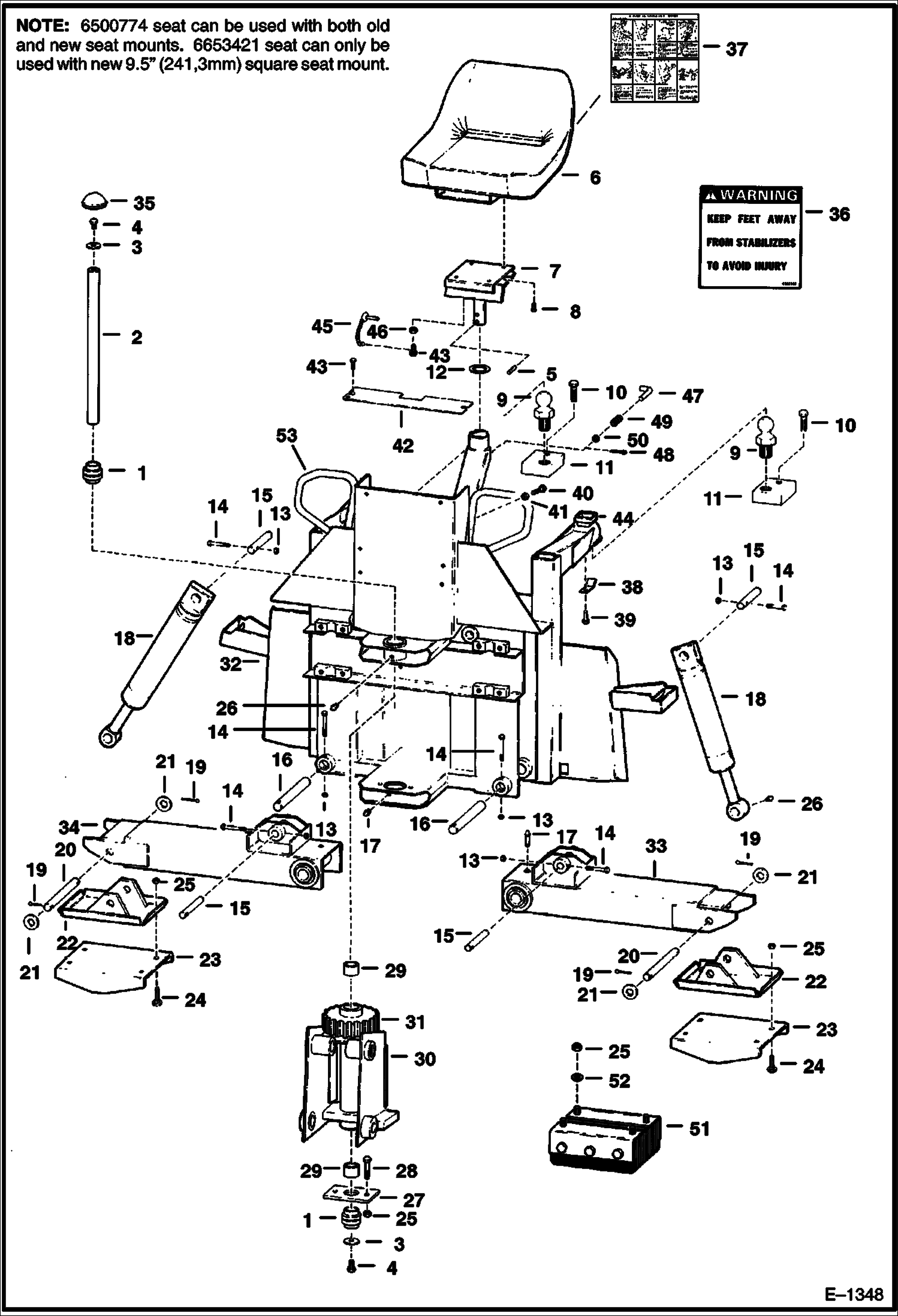
Запчасти Bobcat BACKHOE BACKHOE (Mainf Frame) (911) 911 BACKHOE

Схема запчастей Bobcat BACKHOE - BACKHOE (Mainf Frame) (911) 911 BACKHOE
FIT
1:1
100%

Артикул

Название

Примечание

Количество

1

6519337

BEARING

2

6592350

SHAFT

3

6560416

WASHER

4

31C1024

BOLT

5

14J3740

PIN

6

6500774

SEAT will fit both seat mounts - Also Order Ref. 36 (6583862 decal)

6

6660148

LOWER SLIDE

6

UPPER SLIDE NLA - Was 6660149 - A

6

SEAT will fit only 9.5 in. (241,3 mm) x 9.5 in. (241,3 mm) mount - Also Order Ref. 36 (6583862 decal) - Was 6653421 - A

6

TRACK NLA - W/adj. - Was 6660436 - A

6

TRACK NLA - W/O adj. - Was 6660437 - A

7

MOUNT NLA - 6.5'' (165,1 mm) x 7.5'' (190,5 mm) mounting plate

7

6532792

MOUNT 9.5'' (241,3 mm) x 9.5'' (241,3 mm) mounting plate

8

17C516

BOLT Use W/6500774 Seat

8

85D5

NUT 5 Use W/6653421 Seat

9

6562203

BALL latch

10

31C1028

SCREW

11

6538986

BLOCK See Illustration BACKHOE/ B13590 Was 6562204 - A

12

6558680

WASHER

13

61D6

NUT 5

14

17C648

BOLT 5

15

6544607

PIN

16

6560440

PIN

17

743218

GRS.ZERK

18

CYLINDER See Illustration BACKHOE/ D1765 See Illustration BACKHOE/ D1542 stab.

19

1F828

PIN

20

6562576

PIN

21

25E31

WASHER

22

6562580

PAD

23

6560890

CLEAT

24

37C820

BOLT Was 6560578 - A

25

61D8

NUT 5

26

10H25

FITTING, GREASE 5

27

6560427

BAR retainer

28

17C856

BOLT

29

6513682

RACE bearing

30

6560417

FRAME swing - W/Ref. 29 & 31

31

6562470

GEAR

32

6592829

MAIN FRAME

33

6560436

STABILIZER L.H.

34

6560432

STABILIZER R.H.

35

6598371

CAP

36

6583862

DECAL, WARNING Was 6562922 - A

37

6563211

DECAL mounting instructions

38

6562596

GUIDE

39

17C812

BOLT

40

17C1232

BOLT

41

7D12

NUT

42

6561434

COVER tubes

43

84G3712

BOLT 5

44

6562600

COUPLER See Illustration BACKHOE/ B4293B

45

6511880

PIN

46

7D6

NUT

47

6592836

PIN

48

301939

PIN

48

1F308

PIN, COTTER

49

6610082

SPRING

50

25E15

WASHER

51

6632445

PAD street

52

25E21

WASHER 5

53

6805233

TUBE handrail - weld on - Was 6560876 - A

Выбрано товаров: 61