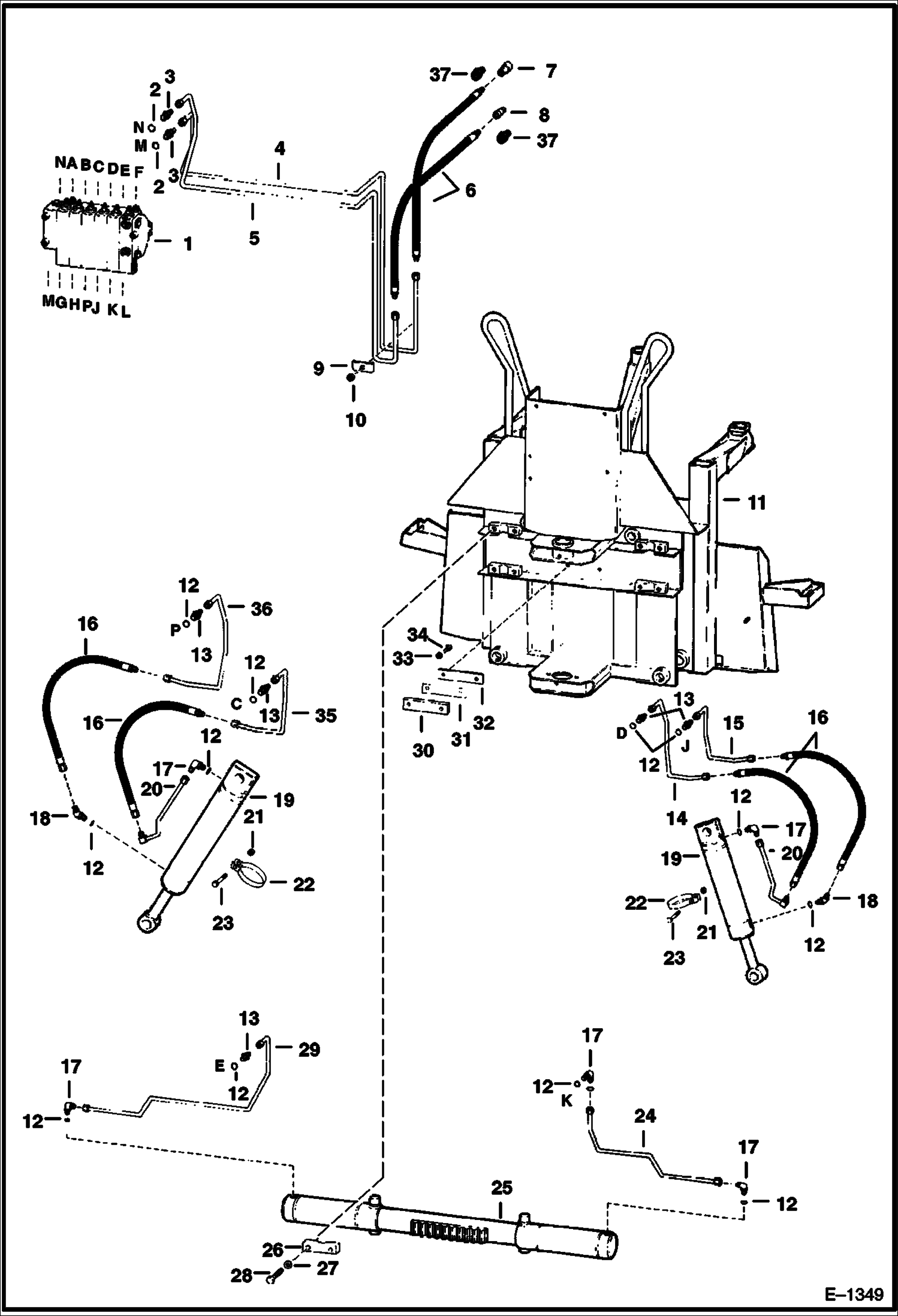
Запчасти Bobcat BACKHOE BACKHOE (Main Frame Hydraulics With Cessna Valve) (911) (843 Only) 911 BACKHOE

Схема запчастей Bobcat BACKHOE - BACKHOE (Main Frame Hydraulics With Cessna Valve) (911) (843 Only) 911 BACKHOE
FIT
1:1
100%

Артикул

Название

Примечание

Количество

1

VALVE See Illustration BACKHOE/ B20515

2

79K10

O RING 10

3

15K7

FITTING W/Ref. 2

4

6560910

TUBE

5

6560911

TUBE

6

6562129

HOSE

7

6598758

COUPLER, POPPET FEMALE straight

7

6672960

COUPLER, FF FEMALE straight - Was 6667807 - A

7

25K40026

O RING 10 Use with poppet coupler

8

6598757

COUPLER, POPPET MALE straight

8

6674688

COUPLER, FF MALE straight - Was 6667808 - A

8

6679841

SEAL Was 6672026 - A

9

6502426

CLAMP

10

85D6

NUT, 5

11

MAIN FRAME See Illustration BACKHOE/ E1348

12

79K8

O RING 10

13

15K6

ADAPTER W/Ref. 12

14

6560912

TUBE

15

6560917

TUBE

16

6562128

HOSE

17

17K6

ELBOW W/Ref. 12

18

18K6

FITTING W/Ref. 12

19

CYLINDER See Illustration BACKHOE/ D1765 See Illustration BACKHOE/ D1542 stab.

20

6561999

TUBE

21

85D5

NUT 5

22

6561995

CLAMP

23

17C520

BOLT 5

24

6560908

TUBE

25

CYLINDER See Illustration BACKHOE/ D1570 swing

26

6560428

RETAINER

27

27E8

WASHER 10

28

17C840

BOLT

29

6560907

TUBE

30

6562505

BAR wear

31

6562504

PLATE

32

6562524

SHIM

33

25E15

WASHER

34

17C514

BOLT

35

6560913

TUBE

36

6560918

TUBE

37

6668096

ADAPTER Use to convert to flush face couplers

Выбрано товаров: 41