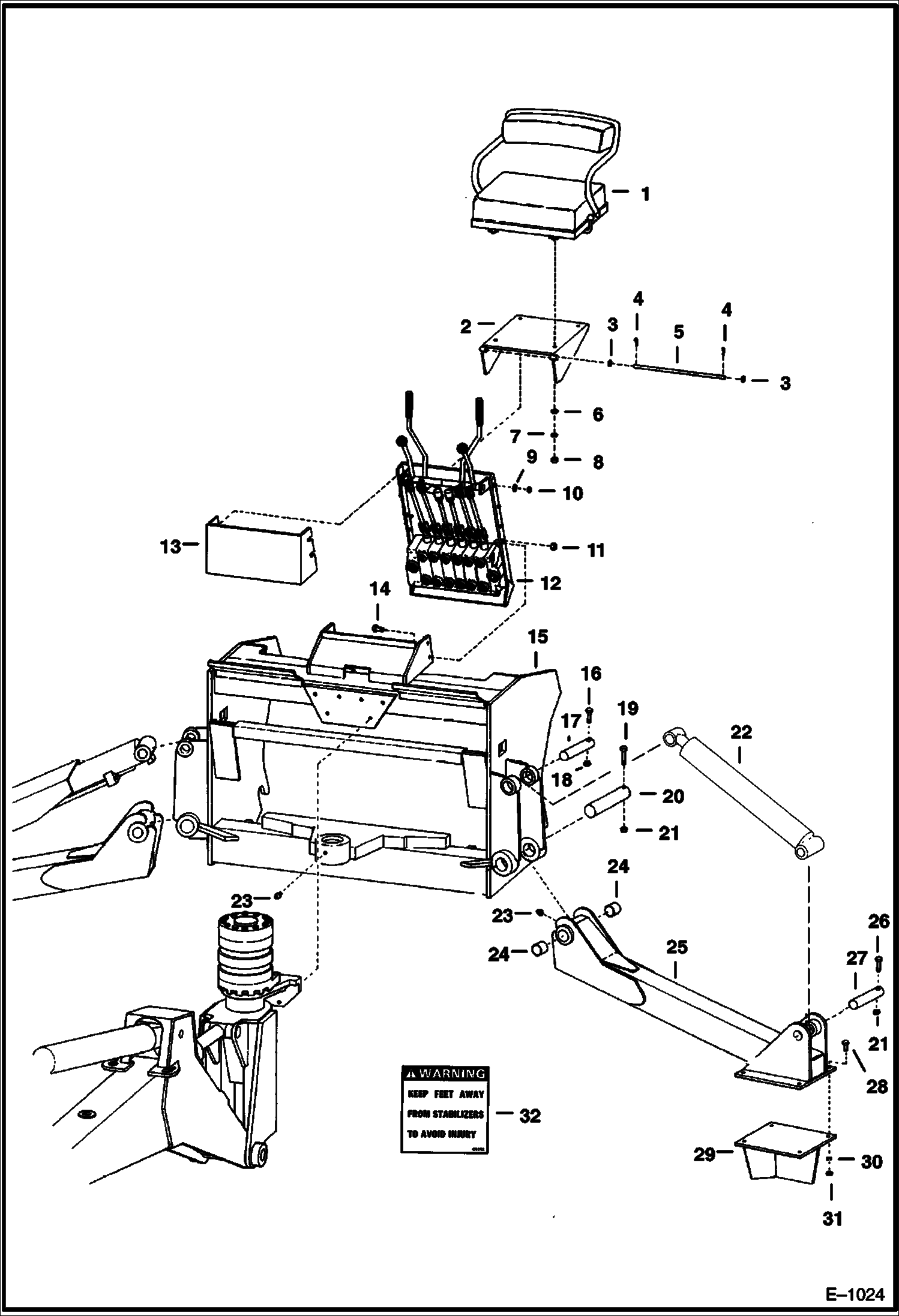
Запчасти Bobcat BACKHOE BACKHOE (Main Frame) (914 - Old Style) 914/914A BACKHOE

Схема запчастей Bobcat BACKHOE - BACKHOE (Main Frame) (914 - Old Style) 914/914A BACKHOE
FIT
1:1
100%

Артикул

Название

Примечание

Количество

1

SEAT NLA - complete - Was 6515586 - A

1

6515201

CUSHION back

1

6515200

CUSHION seat

2

6501961

PLATE seat mounting

3

784469

WASHER

4

1F416

PIN

5

6504391

PIN hinge

6

25E15

WASHER

7

4E5

WASHER

8

62D5

NUT

9

25E13

WASHER 5

10

61D4

NUT 5

11

81D8

NUT

12

HAND CONTROLS See Illustration BACKHOE/ C1365

13

6504365

GUARD hand controls

14

17C816

BOLT

15

FRAME NLA - main

16

18C648

BOLT

17

947670

PIN hinge

18

82D6

NUT

19

18C872

SCREW

20

947669

PIN hinge

21

82D8

NUT

22

CYLINDER See Illustration BACKHOE/ B20554 See Illustration BACKHOE/ B20553 stabilizer

23

10H25

FITTING, GREASE 5

24

947539

BUSHING

25

6515821

LEG stabilizer - W/Ref. 43 & 44

26

BOLT NLA - Was 18C000848B - A

27

947571

PART hinge

28

18C824

BOLT

29

6515823

SPADE stabilizer

30

4E8

WASHER

31

62D8

NUT

32

6583862

DECAL, WARNING Was 6562922 - A

Выбрано товаров: 34