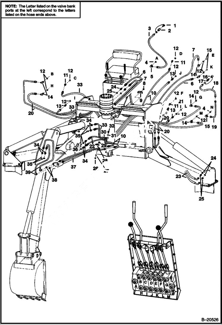
Запчасти Bobcat BACKHOE BACKHOE (Hydraulic Circuitry) (914 - Old Style) 914/914A BACKHOE

Схема запчастей Bobcat BACKHOE - BACKHOE (Hydraulic Circuitry) (914 - Old Style) 914/914A BACKHOE
FIT
1:1
100%

Артикул

Название

Примечание

Количество

1

6515598

PLUG

2

6515596

QUICK COUPLER female

2

25K40110

O RING 10

2

73K219

BK UP RG

3

6501971

HOSE

4

79K16

O RING 10 Was 91F000010B - A

5

731016

ELBOW W/Ref. 4

6

6501989

HOSE

7

6501988

HOSE

8

81D6

NUT

9

6502773

CLAMP

10

1318914

HOSE

11

2324539

ELBOW W/Ref. 12

12

79K12

O RING 10 Was 91F000008B - A

13

15KB1012

FITTING, HYD CONNECTOR W/Ref. 12 - Was 755055B - A

14

1308474

FITTING W/Ref. 12

15

948323

PLATE swing ports

16

6515599

CAP

17

6515597

QUICK COUPLER male

18

6501972

HOSE

19

6501990

TUBE return port

20

6501970

HOSE

21

947695

ORIFICE boom return port

22

1318912

HOSE ASSY

23

6515807

HOSE

24

79K8

O RING 10 Was 91F000006B - A

25

15K6

ADAPTER W/Ref. 24

26

61D4

NUT 5

27

4E4

WASHER

28

6515813

CLAMP

29

17C424

BOLT

30

6515885

CLAMP

31

4E5

WASHER

32

17C516

BOLT

33

1318912

HOSE ASSY

34

15K7

FITTING W/Ref. 35

35

79K10

O RING 10 Was 91F000007B - A

36

6515832

TUBE bucket cylinder - R.H.

37

6515833

TUBE bucket cylinder - L.H.

38

8D14

NUT

39

947589

HOSE ASSY

Выбрано товаров: 41