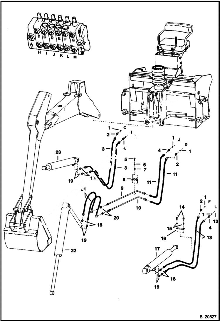
Запчасти Bobcat BACKHOE BACKHOE (Boom Hydraulic Circuitry) (914 - New Style) 914/914A BACKHOE

Схема запчастей Bobcat BACKHOE - BACKHOE (Boom Hydraulic Circuitry) (914 - New Style) 914/914A BACKHOE
FIT
1:1
100%

Артикул

Название

Примечание

Количество

1

79K12

O RING 10 Was 91F000008B - A

2

2324539

ELBOW W/Ref. 1

3

1318912

HOSE ASSY

4

15KB1012

FITTING, HYD CONNECTOR W/Ref. 1 - Was 755055B - A

5

17C424

BOLT

6

4E4

WASHER

7

61D4

NUT 5

8

6515813

CLAMP

9

6515832

TUBE right - bucket cylinder

10

6515833

TUBE left - bucket cylinder

11

1318914

HOSE

12

947695

ORIFICE boom return port

13

1318913

HOSE

14

17C516

BOLT

15

4E5

WASHER

16

6515885

CLAMP tube

17

CYLINDER See Illustration BACKHOE/ B20548 See Illustration BACKHOE/ B20547 boom

18

15K7

FITTING W/Ref. 19

19

79K10

O RING 10 Was 91F000007B - A

20

8D14

NUT

21

947589

HOSE ASSY

22

CYLINDER See Illustration BACKHOE/ B20550 See Illustration BACKHOE/ B20549 bucket

23

CYLINDER See Illustration BACKHOE/ B20552 See Illustration BACKHOE/ B20551 dipperstick

Выбрано товаров: 23