Запчасти Bobcat BACKHOE BACKHOE (Stabilizer Hydraulic Circuitry) (914 - New Style) 914/914A BACKHOE

Схема запчастей Bobcat BACKHOE - BACKHOE (Stabilizer Hydraulic Circuitry) (914 - New Style) 914/914A BACKHOE
FIT
1:1
100%

Артикул

Название

Примечание

Количество

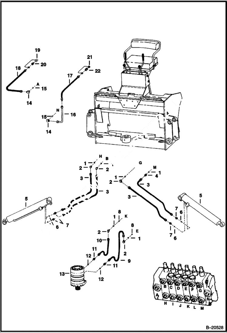
1

79K12

O RING 10 Was 91F000008B - A

2

1308474

FITTING W/Ref. 1

3

6508548

HOSE

4

15KB1012

FITTING, HYD CONNECTOR W/Ref. 1 - Was 755055B - A

5

CYLINDER See Illustration BACKHOE/ B20554 stabilizer

6

79K10

O RING 10 Was 91F000007B - A

7

15K7

FITTING

8

948323

PLATE

9

6501988

HOSE

10

6501989

HOSE

11

15K6

ADAPTER W/Ref. 12

12

79K8

O RING 10 Was 91F000006B - A

13

CYLINDER See Illustration BACKHOE/ C1635 See Illustration BACKHOE/ B20555 swing

14

731016

ELBOW W/Ref. 15 - Was 6515545 - A

15

79K16

O RING 10 Was 91F000010B - A

16

6501990

TUBE return Port

17

6501972

HOSE

18

6501971

HOSE

19

6515599

CAP

20

6515597

QUICK COUPLER male

21

6515598

PLUG

22

6515596

QUICK COUPLER female

22

25K40110

O RING 10

22

73K219

BK UP RG

Выбрано товаров: 24