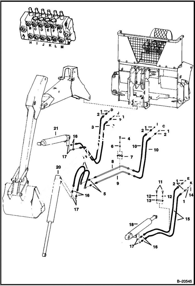
Запчасти Bobcat BACKHOE BACKHOE (Boom Hydraulic Circuitry) (914A) 914/914A BACKHOE

Схема запчастей Bobcat BACKHOE - BACKHOE (Boom Hydraulic Circuitry) (914A) 914/914A BACKHOE
FIT
1:1
100%

Артикул

Название

Примечание

Количество

1

79K12

O RING 10 Was 91F000008B - A

2

15KB1012

FITTING, HYD CONNECTOR W/Ref. 1 - Was 755055B - A

3

6542236

HOSE

4

17C624

BOLT 5

5

8D14

NUT

6

61D6

NUT 5

7

6515813

CLAMP

8

6515832

TUBE right bucket cylinder

9

6515833

TUBE left bucket cylinder

10

6542234

HOSE

11

17C516

BOLT

12

4E4

WASHER

13

6515885

CLAMP

14

947695

ORIFICE boom return port

15

6542235

HOSE

16

15K7

FITTING W/Ref. 17

17

79K10

O RING 10 Was 91F000007B - A

18

6508537

CYLINDER See Illustration BACKHOE/ B20548 See Illustration BACKHOE/ B20547 boom

19

947589

HOSE ASSY

20

6508539

CYLINDER See Illustration BACKHOE/ B20550 See Illustration BACKHOE/ B20549 bucket

21

6508538

CYLINDER See Illustration BACKHOE/ B20552 See Illustration BACKHOE/ B20551 dipperstick

Выбрано товаров: 21