Запчасти Bobcat BACKHOE BACKHOE (Main Frame) (911C) 911C BACKHOE

Схема запчастей Bobcat BACKHOE - BACKHOE (Main Frame) (911C) 911C BACKHOE
FIT
1:1
100%

Артикул

Название

Примечание

Количество

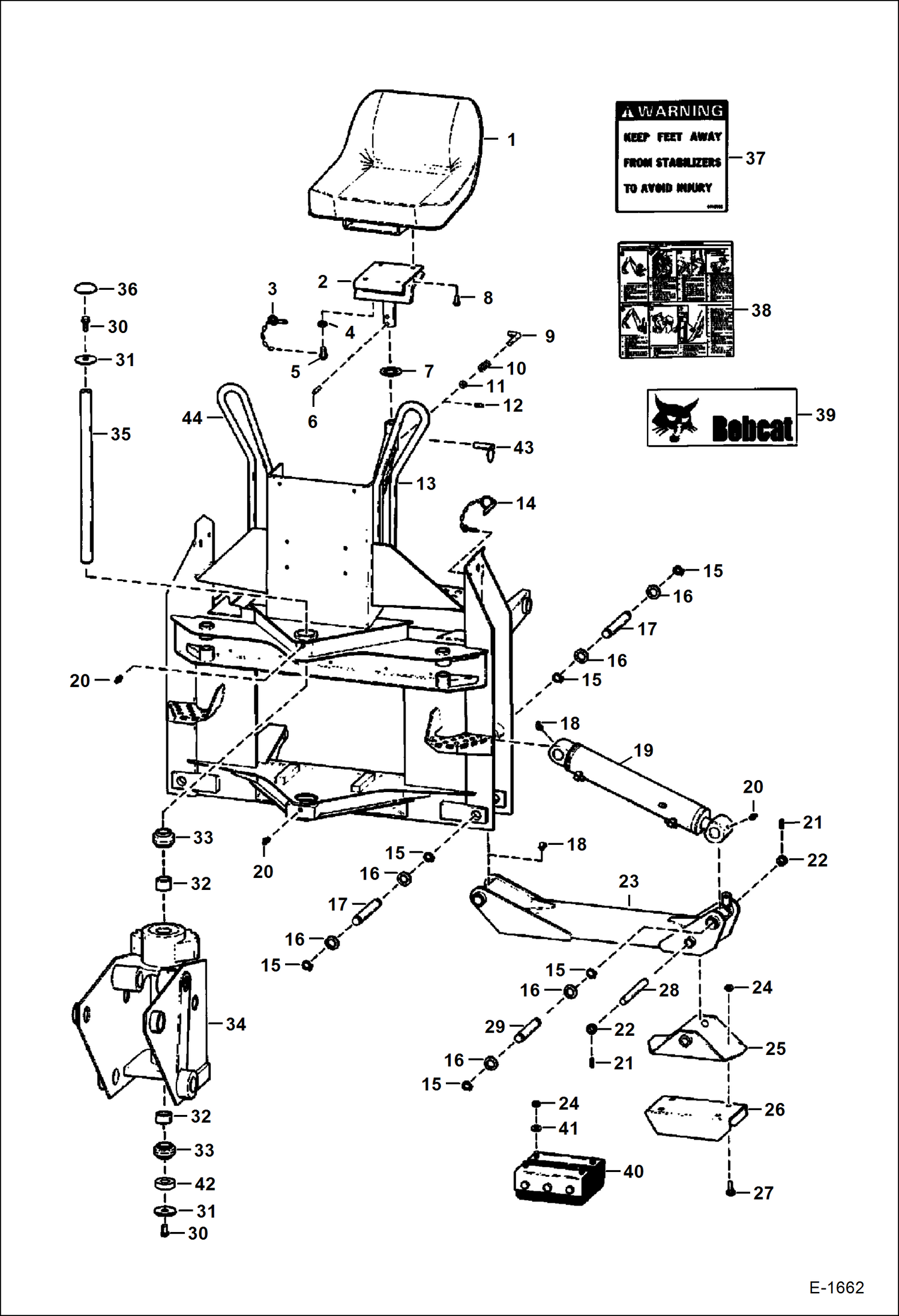
1

SEAT NLA - Was 6653421 - A

1

6643253

SEAT, OPERATOR VINYL Use W/6587384 - Ref. 2

1

TRACK NLA - W/adj. - Was 6660436 - A

1

TRACK NLA - W/O adj. - Was 6660437 - A

2

6532792

MOUNT 9-1/2'' x 9-1/2'' mounting plate

2

6587384

HINGE, MOUNT SWIVEL Use W/6643253 seat - Ref. 1

3

6511880

PIN

4

7D6

NUT

5

84G3712

BOLT 5

6

14J3740

PIN Use W/6532792 mount

7

6558680

WASHER

8

85D5

NUT 5

9

6592836

PIN

10

6610082

SPRING

11

25E15

WASHER

12

1F308

PIN, COTTER

13

MAIN FRAME NLA - Was 6588144 - A

14

6631038

PIN W/chain

15

22J24

RING SNAP Was 6538285 - B

16

6584872

WASHER

17

6560349

PIN

18

12H15

FITTING, GREASE 5

19

CYLINDER See Illustration BACKHOE/ C3253 stabilizer

20

10H25

FITTING, GREASE 5

21

14J3724

PIN

22

6593949

BUSHING

23

6594150

STABILIZER

24

85D8

NUT, 5

25

6593909

PAD

26

CLEAT NLA - Was 6593912 - A

27

37C820

BOLT Was 6560578 - A

28

6593908

PIN

29

6560352

PIN

30

31C1228

BOLT

31

6593892

WASHER

32

225683

RACE

33

6511242

BEARING

34

6587745

FRAME swing - W/Ref. 32

35

6587952

SHAFT

36

CAP NLA - Was 6648801 - A

37

6583862

DECAL, WARNING Was 6562922 - A

38

6593804

DECAL mounting instructions

39

6727324

DECAL, LOGO BOBCAT AND HEAD Was 6714353 - B

40

6632445

PAD street

41

25E21

WASHER 5

42

6532631

WASHER

43

6538285

LOCK RING

44

6560876

TUBE handrail - weld on

Выбрано товаров: 48