Качественные детали и логистика
Оригинальные и аналоговые запчасти с доставкой по России, Казахстану и Беларуси
©2022 PartSell ООО "Система" ИНН 2463123282 ОГРН 1212400004838
Центральный офис: г. Красноярск, Академика Киренского, д.87, пом.4
Телефон: 8 (800) 777-65-74 Email: zakaz@partsell.ru
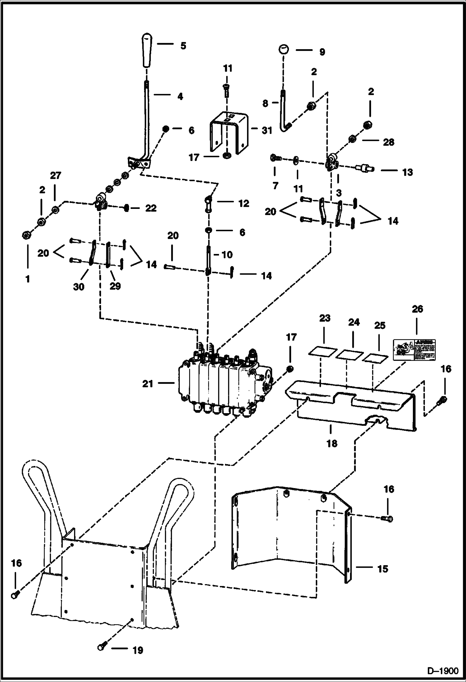
BACKHOE (Control Levers) (911C)
№
Артикул
Название
Примечание
Количество
1
85D8
NUT, 5
2
7D8
NUT 5
3
6586081
PIVOT
4
6530937
LEVER R.H.
6530942
LEVER L.H.
5
6510093
HANDLE GRIP
6
8D6
7
17C510
BOLT
8
6560871
LEVER
9
6515888
KNOB
10
6530940
ROD
11
37C612
12
6599744
BALL JOINT
13
6561538
PIN spacer
14
1F208
PIN
15
6593808
PANEL
16
35C508
BOLT Was 17C000512B - B
17
85D6
61D5
NUT gresen valve
18
6593807
COVER
19
17C620
17C540
BOLT gresen valve
20
227395
CLEVIS PIN
21
VALVE See Illustration BACKHOE/ B12203
22
1315207
RET RING
23
6558050
DECAL
24
6561396
25
6558049
26
6596591
DECAL warning - Was 6562925 - A
27
25E21
WASHER 5
28
6599359
WASHER
29
6530941
LINK
30
6530939
31
6561537
BRACKET
Выбрано товаров: 0