Запчасти Bobcat BACKHOE BACKHOE (Main Frame) (913) 913 BACKHOE

Схема запчастей Bobcat BACKHOE - BACKHOE (Main Frame) (913) 913 BACKHOE
FIT
1:1
100%

Артикул

Название

Примечание

Количество

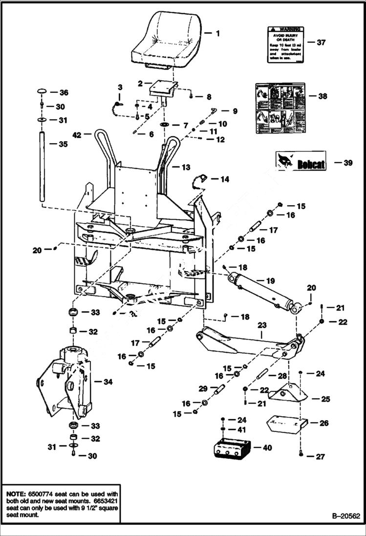
1

6500774

SEAT will fit both seat mounts

1

6660148

LOWER SLIDE

1

UPPER SLIDE NLA - Was 6660149 - A

1

SEAT NLA - will fit only 9-1/2''x 9-1/2'' seat mt. - Was 6653421 - A

1

TRACK NLA - W/adj. - Was 6660436 - A

1

TRACK NLA - W/O adj. - Was 6660437 - A

2

MOUNT NLA - 6-1/2'' x 7-1/2'' mounting plate - Was 6592837 - A

2

6532792

MOUNT 9-1/2'' x 9-1/2'' mounting plate

3

6511880

PIN

4

7D6

NUT

5

84G3712

BOLT 5

6

14J3740

PIN

7

6558680

WASHER

8

17C516

BOLT Use with 6500774 seat

8

85D5

NUT 5 Use with 6653421 seat

9

6592836

PIN

10

6610082

SPRING

11

25E15

WASHER

12

301939

PIN

13

MAIN FRAME NLA - Was 6588144 - A

14

6631038

PIN W/chain

15

22J24

RING SNAP Was 6538285 - B

16

6584872

WASHER

17

6560349

PIN

18

12H15

FITTING, GREASE 5

19

CYLINDER See Illustration BACKHOE/ C2890 See Illustration BACKHOE/ C3253A stabilizer

20

10H25

FITTING, GREASE 5

21

14J3724

PIN

22

6593949

BUSHING

23

6594150

STABILIZER Was 6593898 - A

24

85D8

NUT, 5

25

6593909

PAD

26

CLEAT NLA - Was 6593912 - A

27

37C820

BOLT Was 6560578 - A

28

6593908

PIN

29

6560352

PIN

30

31C1228

BOLT

31

6593892

WASHER

32

225683

RACE

33

6511242

BEARING

34

6531530

SWING FRAME swing - W/Ref. 32 - Was 6593874 - A

35

6593893

SHAFT

36

DECAL NLA - Was 6648801 - A

37

6583862

DECAL, WARNING - A

38

6593804

DECAL mounting instructions

39

6727324

DECAL, LOGO BOBCAT AND HEAD Was 6714353 - A

40

6632445

PAD street

41

25E21

WASHER 5

42

6560876

TUBE handrail - weld on

Выбрано товаров: 49