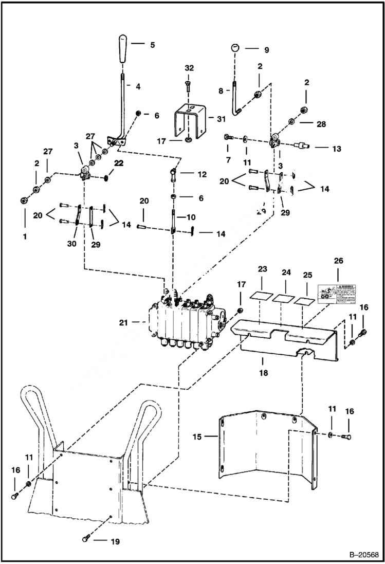
Запчасти Bobcat BACKHOE BACKHOE (Control Levers With Gresen Valve) (913 370001136 & Above) 913 BACKHOE

Схема запчастей Bobcat BACKHOE - BACKHOE (Control Levers With Gresen Valve) (913 370001136 & Above) 913 BACKHOE
FIT
1:1
100%

Артикул

Название

Примечание

Количество

1

85D8

NUT, 5

2

7D8

NUT 5

3

6586081

PIVOT

4

6530937

LEVER R.H.

4

6530942

LEVER L.H.

5

6510093

HANDLE GRIP

6

8D6

NUT 5

7

17C510

BOLT

8

6560871

LEVER

9

6515888

KNOB

10

6530940

ROD

11

25E16

WSHR

12

6599744

BALL JOINT

13

6561538

PIN spacer

14

1F208

PIN

15

6593808

PANEL

16

17C512

BOLT 5

17

85D6

NUT, 5

17

61D5

NUT gresen valve

18

6593807

COVER

19

17C620

BOLT

19

17C540

BOLT gresen valve

20

227395

CLEVIS PIN

21

VALVE See Illustration BACKHOE/ B12207A See Illustration BACKHOE/ B12203A

22

1315207

RET RING

23

6558050

DECAL

24

6561396

DECAL

25

6558049

DECAL

26

6596591

DECAL warning - Was 6562925 - A

27

25E21

WASHER 5

28

6599359

WASHER

29

6530941

LINK

30

6530939

LINK

31

6561537

BRACKET

32

37C612

BOLT

Выбрано товаров: 35