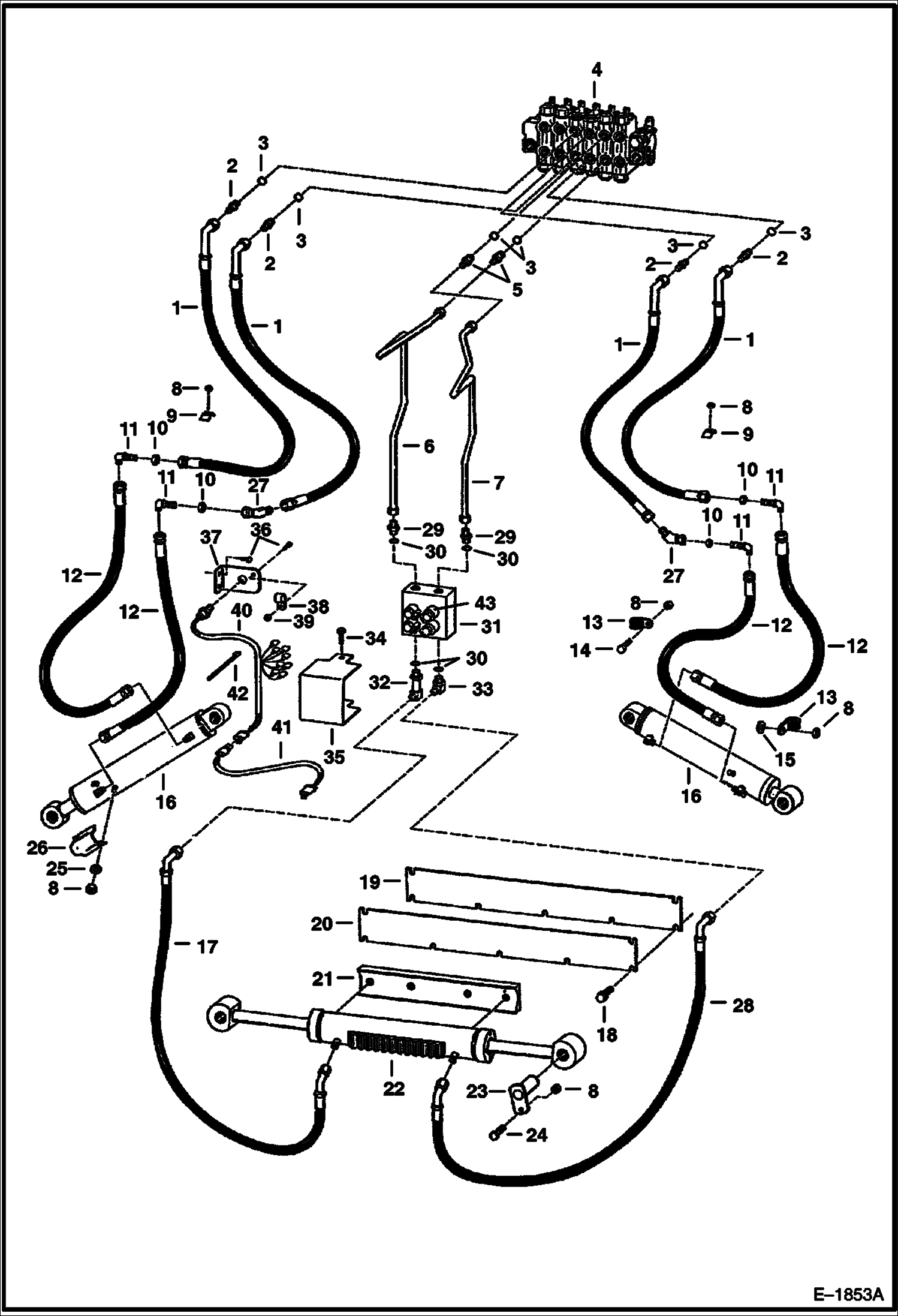
Запчасти Bobcat BACKHOE BACKHOE (Main Frame Hydraulics) (914B) 911B/914B BACKHOE

Схема запчастей Bobcat BACKHOE - BACKHOE (Main Frame Hydraulics) (914B) 911B/914B BACKHOE
FIT
1:1
100%

Артикул

Название

Примечание

Количество

1

6539087

HOSE Was 6584677 - A

2

731795

CONNECTR W/Ref. 3

3

79K10

O RING 10

4

6646843

VALVE See Illustration BACKHOE/ B20581A See Illustration BACKHOE/ B20593

5

731794

CONNECTR W/Ref. 3

6

6584670

TUBE

7

6584671

TUBE

8

85D6

NUT, 5

9

6502426

CLAMP

10

86F5

NUT

11

88F5

ELBOW

12

6530775

HOSE

13

30H46

CLIP

14

17C614

BOLT

15

25E22

WASHER

16

6594326

CYLINDER See Illustration BACKHOE/ B20591 stab.

17

6589447

HOSE

18

84G3116

SCREW

19

6593890

SHIM

20

6593896

WEAR PLATE

21

6593965

WEAR BAR

22

CYLINDER See Illustration BACKHOE/ D1713B NLA - swing - Was 6530807 - A

23

6586172

PIN

24

17C628

BOLT

25

25E17

WASHER 5

26

6593914

BRACKET

27

12K5

ADAPTER

28

6589446

HOSE

29

15K6

ADAPTER

30

79K8

O RING 10

31

6665116

VALVE

32

6812820

ELBOW Was 6511914 - A

33

17K6

ELBOW

34

84G3112

BOLT 5

35

6589439

COVER

36

84G3712

BOLT 5

37

6589443

PLATE

38

30H31

CLAMP 10

39

61D8

NUT 5

40

6589440

HARNESS

41

6589442

HARNESS

42

6624289

STRAP, TIE

43

6672452

SOLENOID coil & stem assy. - Was 6665702 - A

43

6665703

COIL coil only

43

6672515

KIT, SEAL Was 6665704 - A

Выбрано товаров: 45