Запчасти Bobcat BACKHOE BACKHOE (Buckets) (911B) 911B/914B BACKHOE

Схема запчастей Bobcat BACKHOE - BACKHOE (Buckets) (911B) 911B/914B BACKHOE
FIT
1:1
100%

Артикул

Название

Примечание

Количество

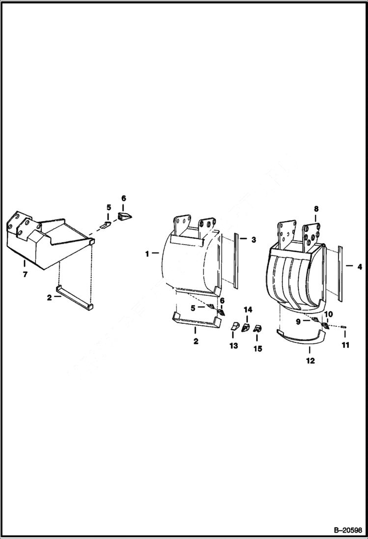
1

BUCKET SALES - standard - 12'' (305 mm)

1

BUCKET SALES - standard - 16'' (406 mm)

1

BUCKET SALES - standard - 30'' (762 mm)

1

BUCKET SALES - standard - 36'' (914 mm)

2

6592051

EDGE, CUTTING WELD ON BEVELED 12.34'' 12'' (305 mm)

2

6592053

EDGE, CUTTING WELD ON BEVELED 16.22'' 16'' (406 mm)

2

6592054

CUTTING EDGE 30'' (762 mm)

2

6592055

CUTTING EDGE 36'' (914 mm)

3

6542987

CUTTING EDGE L.H. - 12'', 16'', 30'' & 36''

3

6542986

CUTTING EDGE R.H. - 12'', 16'', 30'' & 36''

4

6544633

CUTTING EDGE L.H.

4

6544634

CUTTING EDGE R.H.

5

6515119

SHANK

6

6630424

TOOTH

7

BUCKET SALES - open side - 12'' (305 mm)

7

BUCKET SALES - open side - 16'' (406 mm)

8

BUCKET SALES - ribbed - 20'' (508 mm)

8

BUCKET SALES - ribbed - 24'' (610 mm)

9

6518120

SHANK

10

1553699

TOOTH

11

562660

PIN

12

6592216

CUTTING EDGE 20'' (508 mm)

12

6592217

EDGE, CUTTING WELD-ON SIDE 24'' (610 mm)

13

6657328

TOOTH pointed - Use W/Ref. 9

14

6657329

TOOTH 2-prong - Use W/Ref. 9

15

6657330

TOOTH flat - Use W/Ref. 9

Выбрано товаров: 26