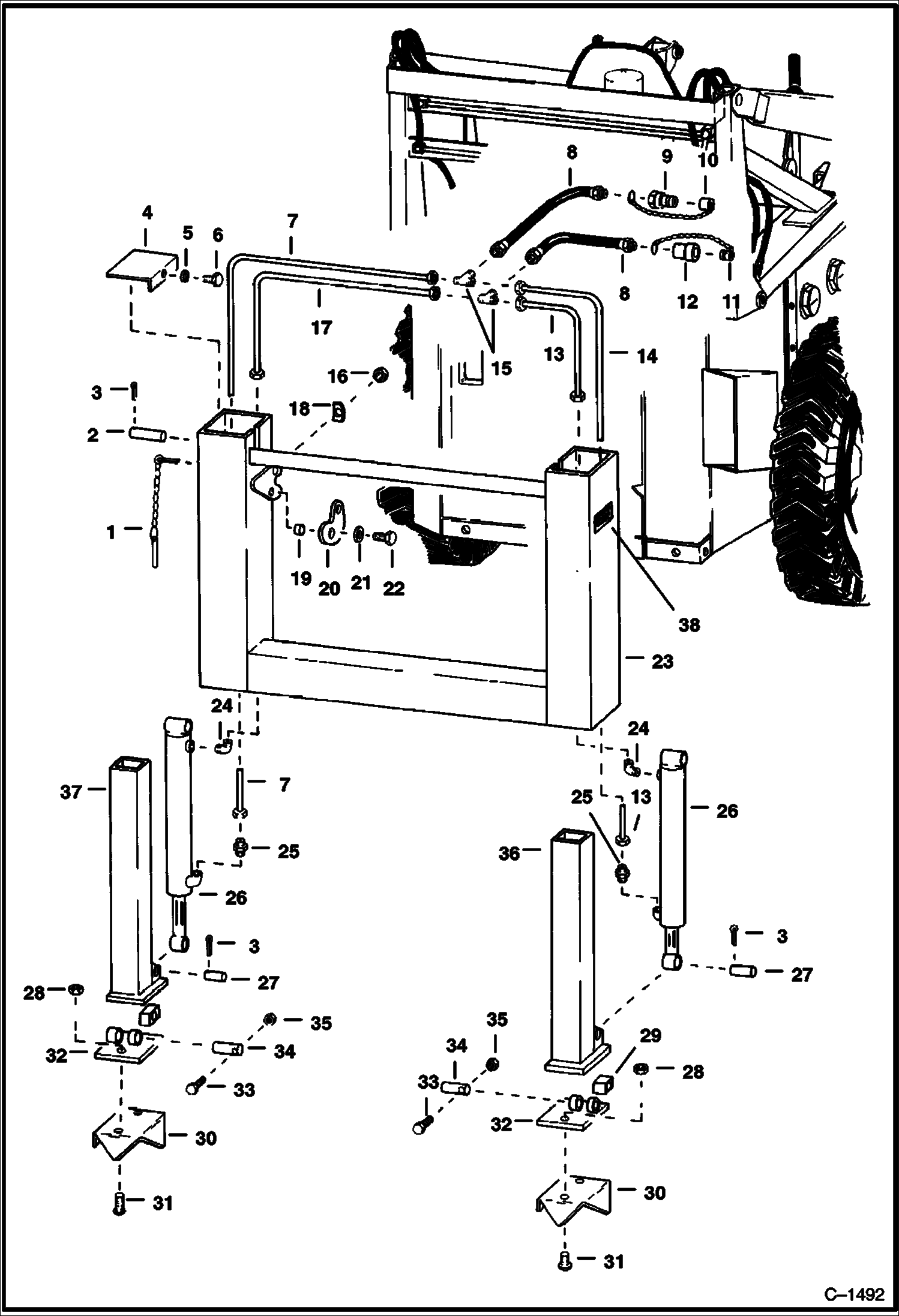
Запчасти Bobcat BACKHOE BACKHOE (Rear Stabilizer) (600) (700) REAR STABILIZERS

Схема запчастей Bobcat BACKHOE - BACKHOE (Rear Stabilizer) (600) (700) REAR STABILIZERS
FIT
1:1
100%

Артикул

Название

Примечание

Количество

1

6515642

PIN locking - W/chain & cotter pin

2

6502324

HINGE PIN

3

1F632

PIN

4

6503506

COVER

5

4E6

WASHER

6

17C616

BOLT 5

7

6501520

TUBE top cylinder port

8

6501522

HOSE

9

6598755

QUICK COUPLER male

10

6515168

CAP W/chain

11

6515167

PLUG W/chain

12

6598756

QUICK COUPLER female

12

25K40026

O RING 10

13

6501521

TUBE top cylinder port

14

6554250

TUBE bottom cylinder port

15

10K5

TEE

16

61D6

NUT 5

17

6554249

TUBE bottom cylinder port

18

6500989

CLAMP

19

6503451

SPACER

20

6503496

HOOK

21

25E21

WASHER 5 Was 664425 - A

22

17C816

BOLT

23

6501526

MAIN FRAME

24

83F5

ELBOW street - not used with new cylinder 6531681 - see cylinder page for correct fittings

25

89F5

CONNECTR street - not used with new cylinder 6531681 - see cylinder page for correct fittings

26

CYLINDER See Illustration BACKHOE/ C3112A See Illustration BACKHOE/ C1050A

27

6502648

HINGE PIN

28

61D7

NUT

29

6503508

BLOCK weld on

30

6503505

PAD foot

31

7C720

SCREW

32

6501889

PLATE

33

17C532

BOLT 5

34

6503507

HINGE PIN

35

91D5

NUT 5 Was 81D000005B - A

36

6504704

LEG R.H.

37

6504705

LEG L.H.

38

6502750

DECAL caution

Выбрано товаров: 39