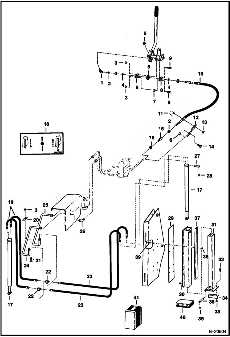
Запчасти Bobcat BACKHOE BACKHOE (Rear Stabailizer) (Bolt -on) (740 Series 15001 & Above) REAR STABILIZERS

Схема запчастей Bobcat BACKHOE - BACKHOE (Rear Stabailizer) (Bolt -on) (740 Series 15001 & Above) REAR STABILIZERS
FIT
1:1
100%

Артикул

Название

Примечание

Количество

1

6554858

BALL JOINT

2

8D4

NUT

3

85D6

NUT, 5

4

6564797

WASHER

5

6599643

BEARING Was 6631953 - A

6

85D4

NUT 5

7

6564798

SPACER

8

6567865

FLANGE

9

17C620

BOLT

10

6631493

CABLE

11

6592766

U-BOLT

12

6565006

MOUNT

13

85D5

NUT 5

14

17C416

BOLT

15

6565005

ADAPTER

16

7D4

NUT

17

CYLINDER See Illustration BACKHOE/ B20608 See Illustration BACKHOE/ B20607

18

6567013

DECAL

19

6563437

HOSE

20

6502203

CLAMP

21

17C626

BOLT

22

2533675

TEE

23

6563438

HOSE

24

6565995

TUBE

25

6565994

TUBE

26

77F7

ELBOW

27

6560668

PIN

28

23J16

SNAP RING Was 662770B - B

29

6562677

PLATE

30

6562675

CHANNEL

31

6560664

TUBE

32

17C824

BOLT 5

33

85D8

NUT, 5

34

6560678

ANGLE

35

22J16

SNAP RING Was 1320431B - B

36

6560669

PIN

37

6563440

SHIELD R.H.

37

6563439

SHIELD L.H.

38

85D10

NUT, 5

39

17C1024

BOLT

40

6632446

PAD See BTI235 weld on

41

6565025

KIT W/Ref. 1-16

Выбрано товаров: 42