Качественные детали и логистика
Оригинальные и аналоговые запчасти с доставкой по России, Казахстану и Беларуси
©2022 PartSell ООО "Система" ИНН 2463123282 ОГРН 1212400004838
Центральный офис: г. Красноярск, Академика Киренского, д.87, пом.4
Телефон: 8 (800) 777-65-74 Email: zakaz@partsell.ru
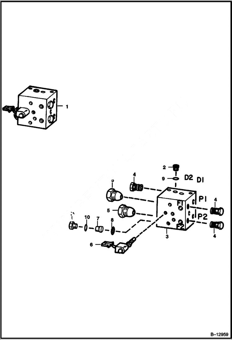
BACKHOE (Rear Auxiliary Valve) (742B) (743B)
№
Артикул
Название
Примечание
Количество
1
6675073
VALVE, AUX REAR diverter - Was 6649686 - A
2
6676152
PLUG W/Ref. 9 - Was 6653490 - A
3
BODY NSS
4
6664212
CHECK VALVE Was 6653486 - A
6653487
SEAL KIT
5
6653484
VALVE
6653485
6
6653488
VALVE solenoid - W/connector
COIL NLA - Order 6653488, Valve - Was 6653489 - A
6657409
7
6657720
TUBE
8
6657721
DISC filtered
9
79K2
O RING 10
10
79K5
11
24K4
PLUG
Выбрано товаров: 0