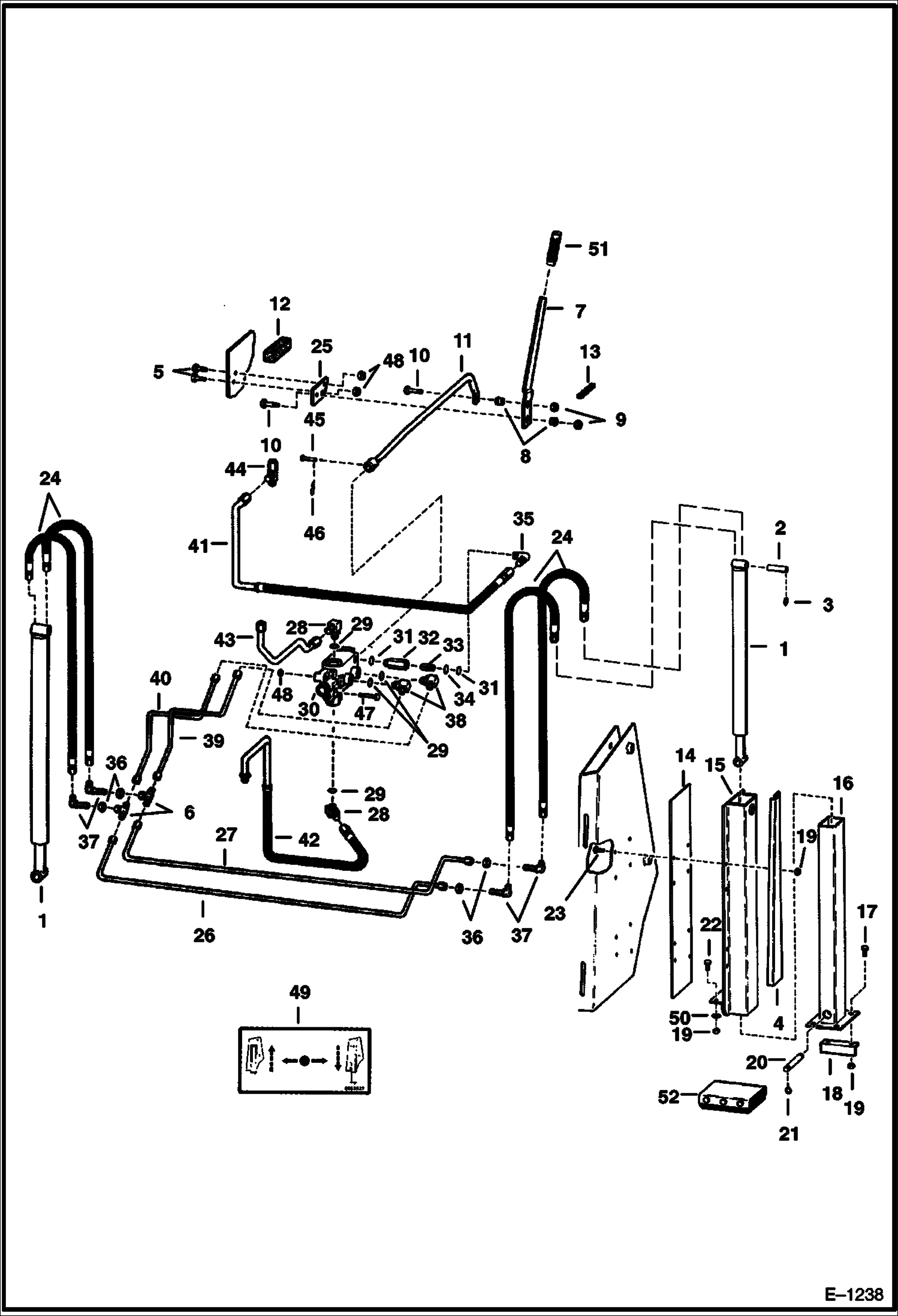
Запчасти Bobcat BACKHOE BACKHOE (Rear Stabilizer) (Bolt-on) (843 11001 - 14999) REAR STABILIZERS

Схема запчастей Bobcat BACKHOE - BACKHOE (Rear Stabilizer) (Bolt-on) (843 11001 - 14999) REAR STABILIZERS
FIT
1:1
100%

Артикул

Название

Примечание

Количество

1

CYLINDER See Illustration BACKHOE/ B20608 See Illustration BACKHOE/ B20607

2

6560668

PIN Was 6560688 - A

3

23J16

SNAP RING Was 662770B - B

4

6563575

SHIELD L.H.

4

6563576

SHIELD R.H.

5

17C616

BOLT 5

6

14K5

TEE

7

6564395

LEVER

8

6630081

BUSHING

9

85D6

NUT, 5

10

17C624

BOLT 5

11

6560824

ROD

12

STRIP NLA - Order 1 ft. (304,8 mm) of 6554274 - Was 6560849 - A

13

6560848

STRIP

14

6562677

PLATE

15

6562675

CHANNEL

16

6560664

TUBE

17

17C824

BOLT 5

18

6560678

ANGLE

19

85D10

NUT, 5

20

6560669

PIN

21

22J16

SNAP RING Was 1320431B - B

22

17C1032

BOLT

23

17C1024

BOLT

24

1323249

HOSE

25

6560825

MOUNT

26

6563564

TUBE

27

6563563

TUBE

28

17KB1012

FITTING, HYD ELBOW W/Ref. 29 - Was 1302104B - A

29

79K12

O RING 10

30

VALVE See Illustration BACKHOE/ C2509

31

79K10

O RING 10

32

FITTING NLA - Was 6559570 - A

33

6559571

CHECK VALVE Was 6558571 - D

34

25K20022

O RING 10

35

17K7

ELBOW

36

86F5

NUT

37

88F5

ELBOW

38

1300913

ELBOW W/Ref. 29

39

6563561

TUBE

40

6563562

TUBE

41

HOSE NLA - purchase locally - Was 6563936 - A

42

6563935

HOSE

43

6563937

TUBE

44

13K7

FITTING

45

1319560

PIN

46

6513495

COTTER PIN

47

17C640

BOLT 5

48

61D6

NUT 5

49

6562627

DECAL

50

27E10

WASHER

51

6557730

GRIP

52

6632446

PAD See BTI235 street - weld on

Выбрано товаров: 53