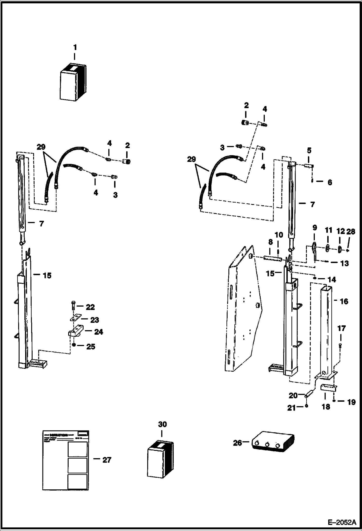
Запчасти Bobcat BACKHOE BACKHOE (Rear Stabilizer) (863G) (864G) REAR STABILIZERS

Схема запчастей Bobcat BACKHOE - BACKHOE (Rear Stabilizer) (863G) (864G) REAR STABILIZERS
FIT
1:1
100%

Артикул

Название

Примечание

Количество

1

KIT SALES - rear stabilizer - W/Ref. 2-29 - Sales #6719594

2

6667803

COUPLER, FF FEMALE

3

6667804

COUPLER, FF MALE

3

6669657

SEAL KIT

4

17KB0606

FITTING Was 17KV00005B - A

5

6560668

PIN

6

23J16

SNAP RING Was 662770B - B

7

CYLINDER See Illustration BACKHOE/ B20608

8

6719546

PIN

9

6719556

RETAINER

10

14J3740

PIN Was 14J003732B - B

11

6719545

WASHER

12

6668928

LOCK PIN ring lock

13

14J1214

ROLL PIN

14

61D10

NUT

15

6719548

CHANNEL

16

6560664

TUBE

17

17C824

BOLT 5

18

6560678

ANGLE

19

85D8

NUT, 5

20

6560669

PIN

21

22J16

SNAP RING Was 1320431B - B

22

31C1256

BOLT

23

6701014

SPACER Use on 863 - with 2 holes

23

6725534

SPACER Use on 864 - with 3 holes

24

6725603

MOUNT

25

83D12

NUT

26

6632446

PAD See BTI235 street - weld on

27

6720254

INSTRUCTIONS

28

10H25

FITTING, GREASE 5

29

6530884

HOSE

30

6718960AR

KIT translation

30

6718960BR

KIT translation

30

6720254AR

INSTRUCTIONS translated

30

6720254BR

INSTRUCTIONS translated

Выбрано товаров: 35