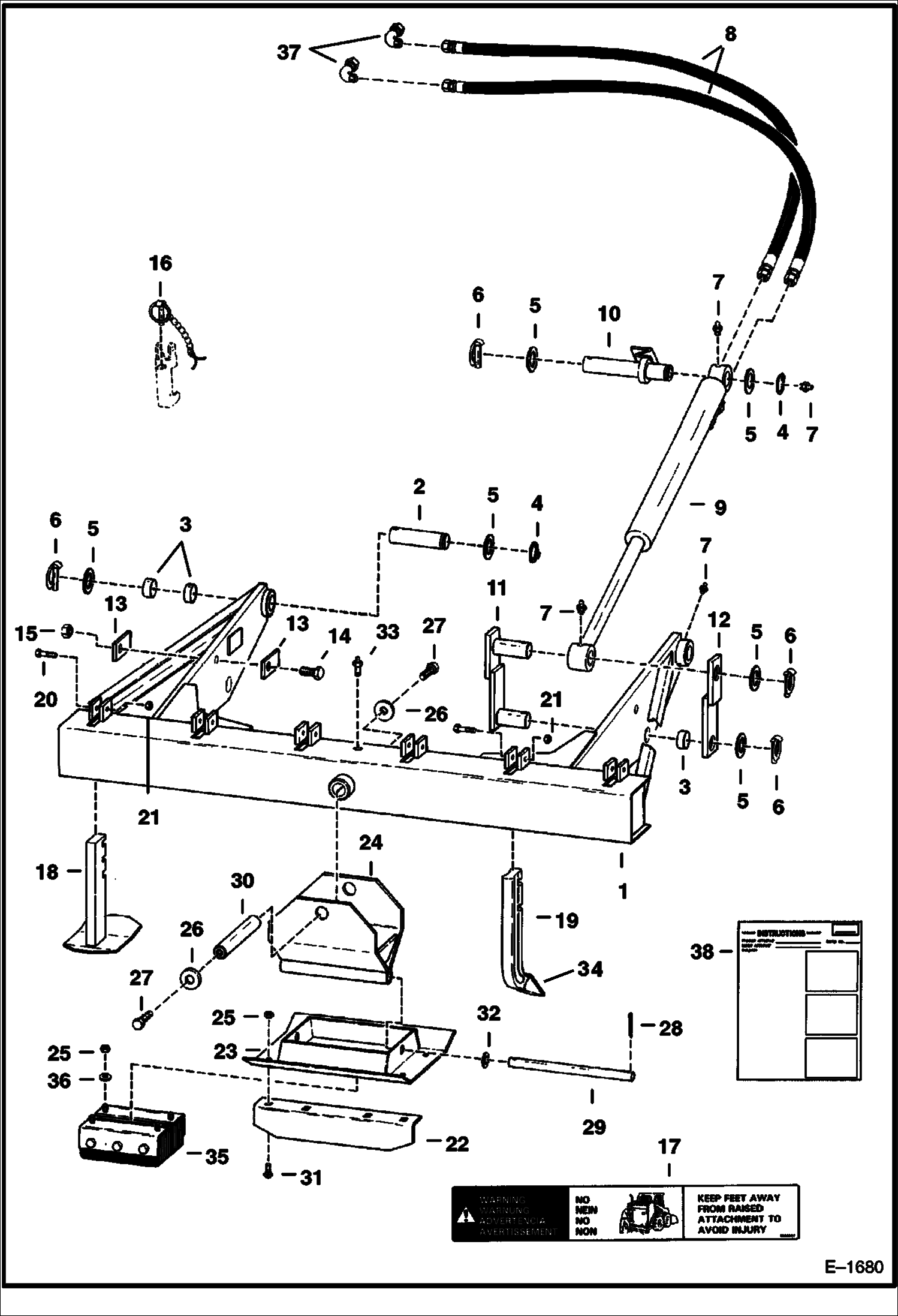
Запчасти Bobcat BACKHOE BACKHOE (Stabilizer & Scarifier) (943) (953) REAR STABILIZERS

Схема запчастей Bobcat BACKHOE - BACKHOE (Stabilizer & Scarifier) (943) (953) REAR STABILIZERS
FIT
1:1
100%

Артикул

Название

Примечание

Количество

1

6567645

FRAME mounting

2

6567640

PIN mounting

3

6630953

BUSHING

4

22J24

RING SNAP Was 6538285 - B

5

6584872

WASHER

6

6560382

PIN, LOCK locking

7

10H25

FITTING, GREASE 5

8

6568760

HOSE

9

CYLINDER See Illustration BACKHOE/ C2894

10

6568957

PIN

11

6567952

LINK inner

12

6568856

LINK outer

13

6567948

STOP

14

17C1648

BOLT

15

61D6

NUT 5

16

6649496

CLICK PIN latch - Was 6513692 - A

17

6568867

DECAL

18

6567644

SHOE ASSY.

19

6630954

SHANK ASSY. does not include Ref. 34

20

17C840

BOLT

21

85D8

NUT, 5

22

6567627

CLEAT

23

6567646

PAD ASSY.

24

6567647

YOKE ASSY.

25

61D8

NUT 5

26

25E31

WASHER

27

18C1224

BOLT

28

1F828

PIN

29

6567625

PIN

30

6567624

PIN

31

37C820

BOLT Was 6560578 - A

32

6552871

WASHER sprocket

33

743218

GRS.ZERK

34

6632407

TOOTH

35

6632445

PAD street

36

25E21

WASHER 5

37

11K5

FITTING

38

6566989

OM, STABILIZER SCARIFIER FRAME

Выбрано товаров: 38