Качественные детали и логистика
Оригинальные и аналоговые запчасти с доставкой по России, Казахстану и Беларуси
©2022 PartSell ООО "Система" ИНН 2463123282 ОГРН 1212400004838
Центральный офис: г. Красноярск, Академика Киренского, д.87, пом.4
Телефон: 8 (800) 777-65-74 Email: zakaz@partsell.ru
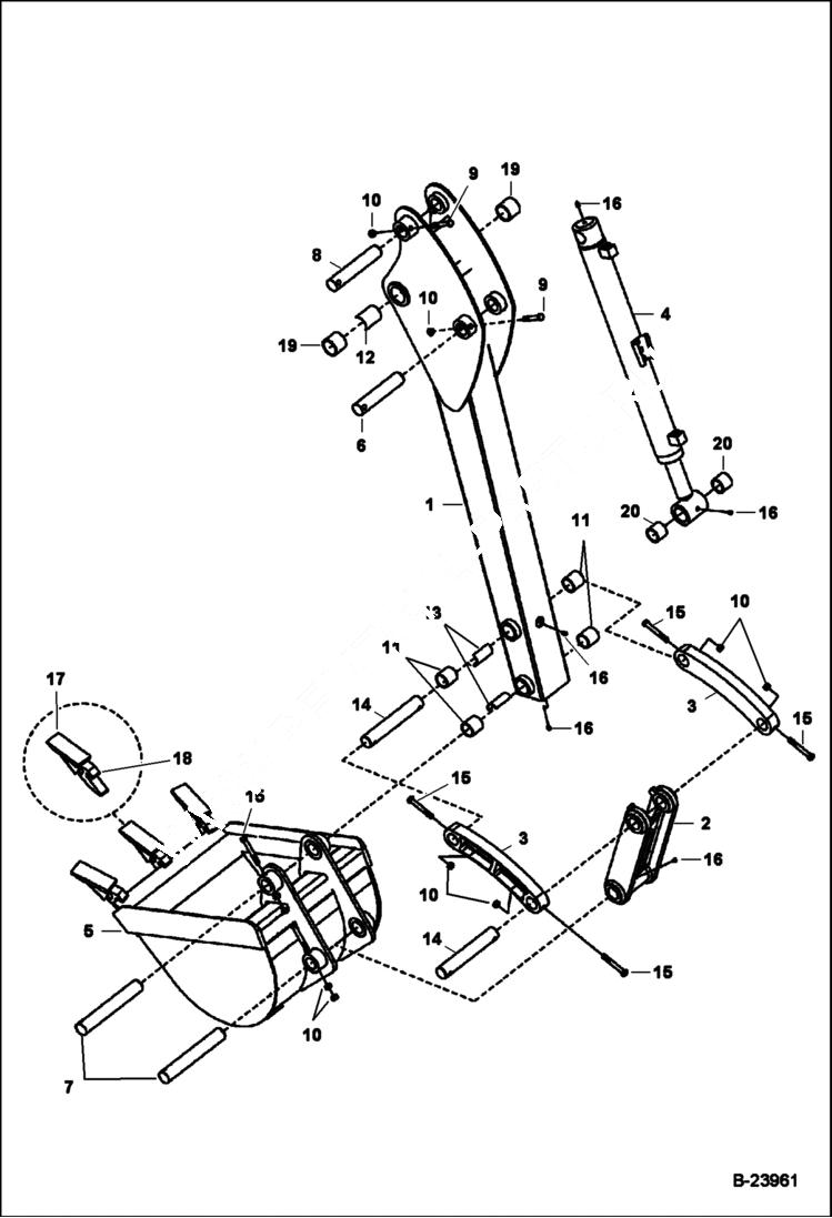
BACKHOE 7TB (Dipper & Bucket)
№
Артикул
Название
Примечание
Количество
1
7003686
ARM, DIPPER BACKHOE
2
7003523
LINK, BUCKET
3
7003524
4
7003525
CYLINDER, BUCKET See Illustration BACKHOE 7TB/ B23968
5
BUCKET 9'' SALES #7166936
BUCKET 12'' SALES #7166939
BUCKET 16'' SALES #7166942
BUCKET 18'' SALES #7166945
BUCKET 24'' SALES #7166948
6
7003526
PIN
7
7003527
8
7003528
9
17C640
BOLT 5
10
85D6
NUT, 5
11
7003529
BUSHING
12
7003530
SPACER
13
7003531
14
7003532
15
17C644
BOLT
16
10H35
FITTING, GREASE 10
17
6698059
TOOTH, BUCKET
18
6698060
SHANK, BUCKET
19
7003533
20
7003614
Выбрано товаров: 0