Запчасти Bobcat BACKHOE BACKHOE 7TB (Main Frame) BACKHOE

Схема запчастей Bobcat BACKHOE - BACKHOE 7TB (Main Frame) BACKHOE
FIT
1:1
100%

Артикул

Название

Примечание

Количество

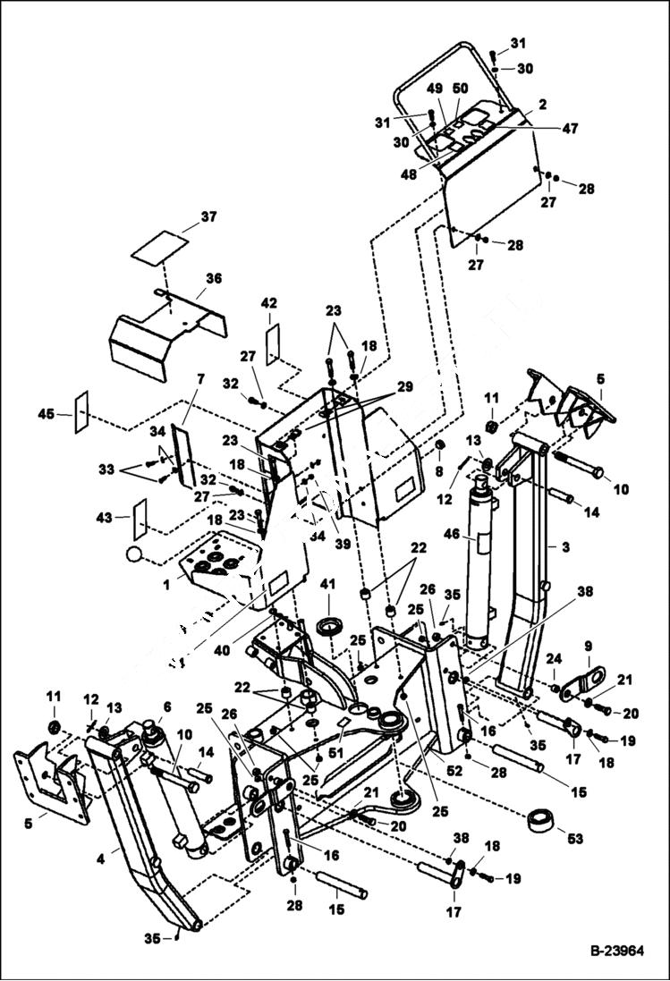
1

7003691

FRAME

2

7003692

COVER, VALVE

3

7003549

STABILIZER, LH

4

7003550

STABILIZER, RH

5

7003551

PAD, STABILIZER

6

7003552

CYLINDER, STABILIZER See Illustration BACKHOE 7TB/ B23970

7

7003553

COVER

8

6698027

BUMPER, RUBBER

9

6693806

LOCK, FLAT

10

17C12104

BOLT

11

7003554

NUT

12

1F524

PIN

13

27E12

WASHER

14

6693687

PIN, CLEVIS

15

7003555

PIN

16

17C532

BOLT 5

17

6693657

PIN, STABILIZER CYL BASE

18

27E6

WASHER 5

19

17C624

BOLT 5

20

17C828

BOLT

21

27E8

WASHER 10

22

7003556

SPACER

23

17C632

BOLT 5

24

7003557

SPACER

25

85D6

NUT, 5

26

85D8

NUT, 5

27

27E5

WASHER

28

85D5

NUT 5

29

6693807

NUT, SPEED

30

4E5

WASHER

31

17C516

BOLT

32

17C512

BOLT 5

33

17C412

BOLT 5

34

27E4

WASHER

35

10H35

FITTING, GREASE 10

36

7003558

COVER

37

7003559

PAD, ANTI-SLIP

38

7D6

NUT

39

85D4

NUT 5

40

6693686

PIN, COTTER

41

6693739

STRIP, PLASTIC

42

7152889

DECAL warning

43

7152893

DECAL warning

44

7152892

DECAL danger

45

7152890

DECAL warning

46

7152891

DECAL danger

47

7152895

DECAL operation

48

7152894

DECAL operation

49

7152888

DECAL operation

50

7152887

DECAL operation

51

7152896

DECAL utility

52

7003560

FRAME, MAIN

53

7013213

BUSHING weld-on

Выбрано товаров: 53