Качественные детали и логистика
Оригинальные и аналоговые запчасти с доставкой по России, Казахстану и Беларуси
©2022 PartSell ООО "Система" ИНН 2463123282 ОГРН 1212400004838
Центральный офис: г. Красноярск, Академика Киренского, д.87, пом.4
Телефон: 8 (800) 777-65-74 Email: zakaz@partsell.ru
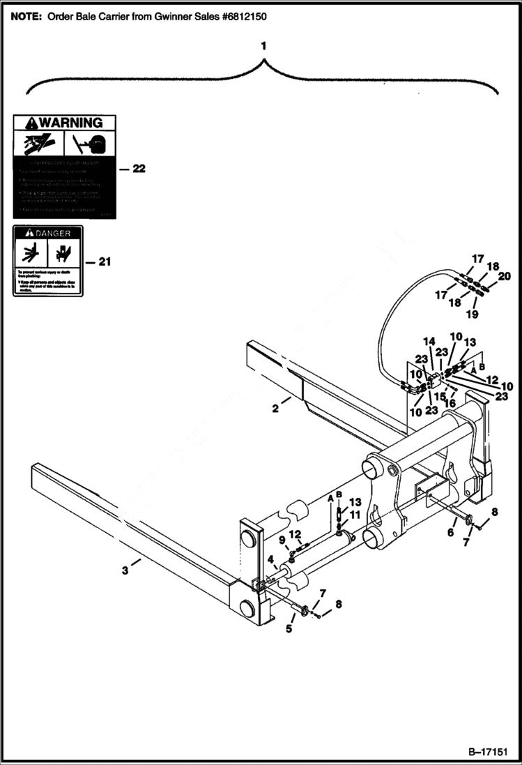
48 BALE CARRIER (S/N 017800101 & Above)
№
Артикул
Название
Примечание
Количество
1
BALE CARRIER SALES - W/Ref. 2-28 - SEE NOTE
2
6680337
FRAME right
3
6680338
FRAME left
4
6680340
CYLINDER See Illustration CYLINDER/ B17589
5
6680336
PIN
6
6680339
7
4E6
WASHER
8
17C616
BOLT 5
9
83F5
ELBOW
10
15KB0606
FITTING, HYD CONNECTOR
97K6
O RING flared end
11
89F5
CONNECTR
12
6680342
HOSE
13
6680341
VALVE
14
6679180
VALVE lock
15
4E5
16
17C532
17
6680343
18
6578812
ADAPTER
19
6672960
COUPLER, FF FEMALE straight
20
6674688
COUPLER, FF MALE straight
21
6679183
DECAL pinch point
22
6679184
DECAL high pressure fluid
23
99K6
O RING
Выбрано товаров: 0