Запчасти Bobcat BORING ATTACHMENT BORING ATTACHMENT (Main Frame) Loader

Схема запчастей Bobcat BORING ATTACHMENT - BORING ATTACHMENT (Main Frame) Loader
FIT
1:1
100%

Артикул

Название

Примечание

Количество

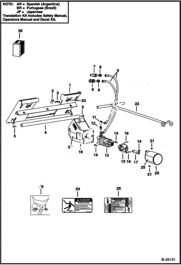
1

7110086

MOUNT Bob-Tach

2

7110096

PIN

3

7110381

PIN

4

7110091

SHAFT

5

17C816

BOLT

6

6672960

COUPLER, FF FEMALE straight

7

6674688

COUPLER, FF MALE straight

8

15KB0812

FITTING, HYD CONNECTOR

9

7110306

HOSE

10

7110092

MOUNT

11

11K6

UNION

12

15KB0810

FITTING, HYD CONNECTOR

13

6687143

MOTOR See Illustration BORING ATTACHMENT/ B25132

14

93G820

BOLT

15

7110093

COUPLER

16

1F532

COTTER PIN

17

7110094

COUPLER

18

17C740

BOLT

19

61D7

NUT

20

7110095

COVER

21

17C608

BOLT

22

7110564

GUIDE drill rod

23

6809228

DECAL logo

24

7110245

DECAL danger

25

7110246

DECAL warning

26

7110291AR

TRANSLATION KIT

26

7110291BR

TRANSLATION KIT

26

7110292AR

DECAL KIT

26

7110292BR

DECAL KIT

26

7110292JP

DECAL KIT

Выбрано товаров: 30