Качественные детали и логистика
Оригинальные и аналоговые запчасти с доставкой по России, Казахстану и Беларуси
©2022 PartSell ООО "Система" ИНН 2463123282 ОГРН 1212400004838
Центральный офис: г. Красноярск, Академика Киренского, д.87, пом.4
Телефон: 8 (800) 777-65-74 Email: zakaz@partsell.ru
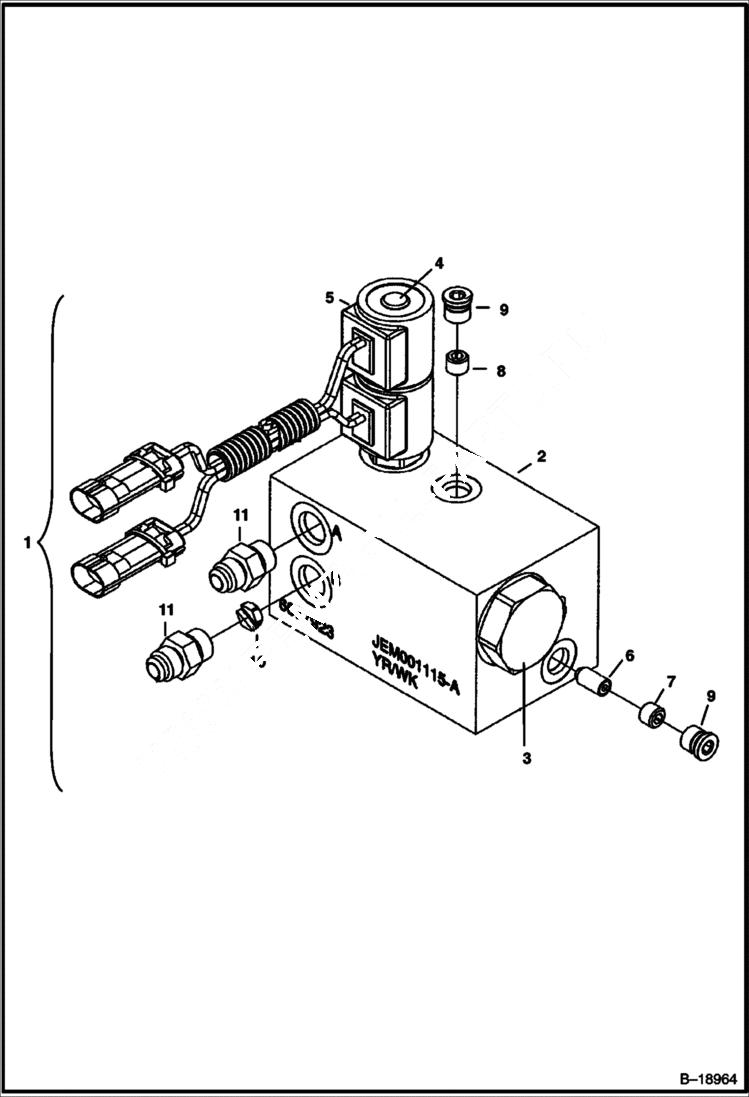
BOX BLADE (Valve Assembly) (84 6574) (84 Laser 6575)
№
Артикул
Название
Примечание
Количество
1
6677923
VALVE ASSY W/Ref. 2-11
2
6679460
BLOCK
3
6673994
ELEMENT
6692736
KIT, SEAL Was 6679461 - B,D
4
6677153
SOLENOID
6672756
KIT, SEAL
5
6679459
COIL ASSY
6
6675190
CHECK VALVE
7
6676311
PLUG orifice
8
6678083
ORIFICE orifice
9
6665719
PLUG
O-RING NSS - Order 6665719 Plug
10
6679458
DISK flow control
11
15KB0606
FITTING, HYD CONNECTOR
Выбрано товаров: 0