Запчасти Bobcat BREAKERS BREAKER (Cooler) (1250X) (Use on 76 504811001 - 11999) Экскаваторы

Схема запчастей Bobcat BREAKERS - BREAKER (Cooler) (1250X) (Use on 76 504811001 - 11999) Экскаваторы
FIT
1:1
100%

Артикул

Название

Примечание

Количество

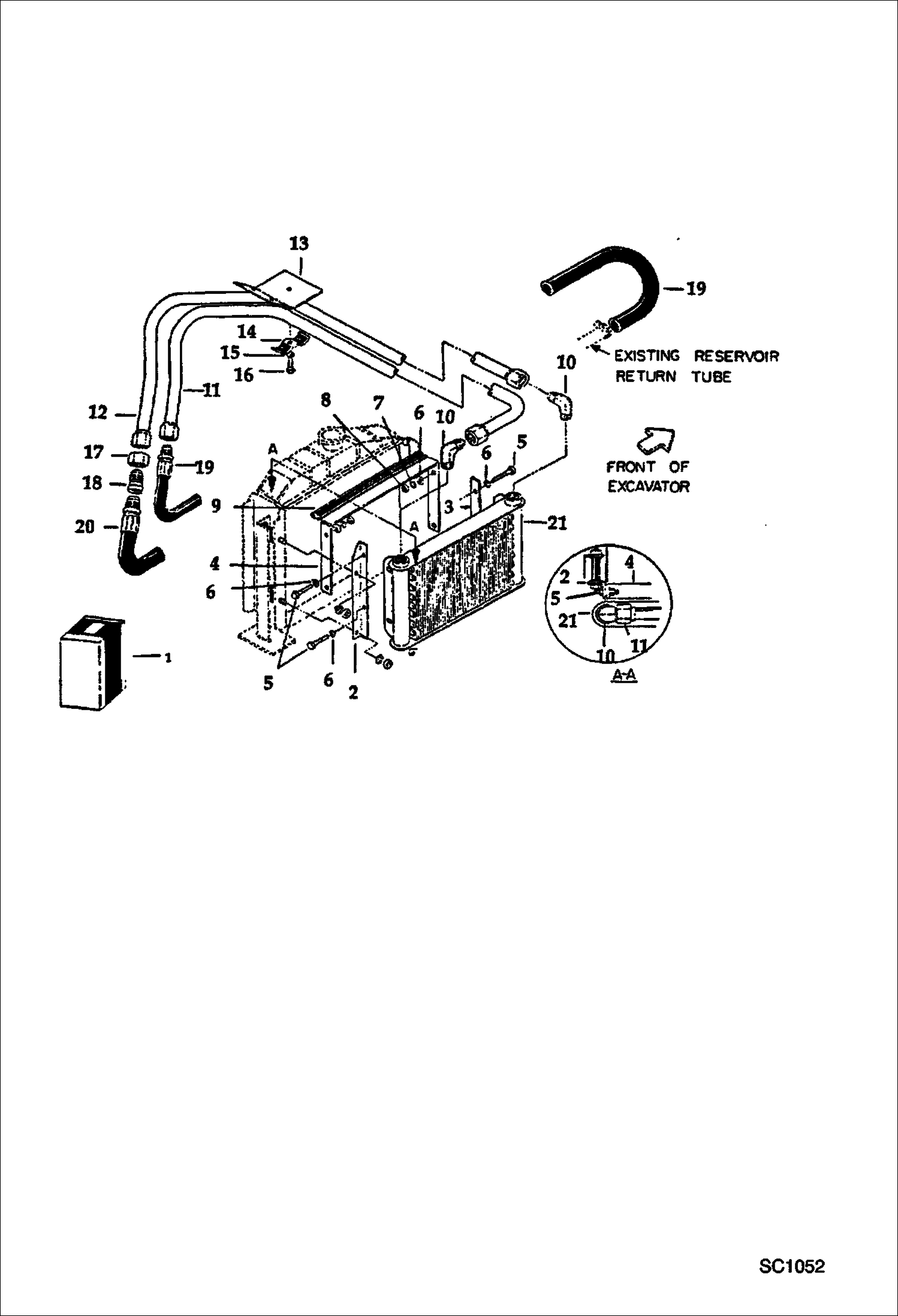
1

KIT SALES

2

6650544

BRACK/L.H

3

6650545

BRACK/R.H

4

6650546

TOP BRACK

5

17C520

BOLT 5

6

25E5

WASHER

7

23E5

L WASHER

8

85D5

NUT 5

9

6650547

SEAL

10

6650548

ELBOW

11

6650549

TUBE

12

6650550

TUBE

13

6650551

BRACKET

14

6650552

CLAMP

15

23E6

WASHER

16

17C612

BOLT 5

17

85D16

LOCKNUT

18

6650553

ADAPTER

19

6650554

HOSE

20

6650555

HOSE

21

6650543

COOLER

Выбрано товаров: 21