Качественные детали и логистика
Оригинальные и аналоговые запчасти с доставкой по России, Казахстану и Беларуси
©2022 PartSell ООО "Система" ИНН 2463123282 ОГРН 1212400004838
Центральный офис: г. Красноярск, Академика Киренского, д.87, пом.4
Телефон: 8 (800) 777-65-74 Email: zakaz@partsell.ru
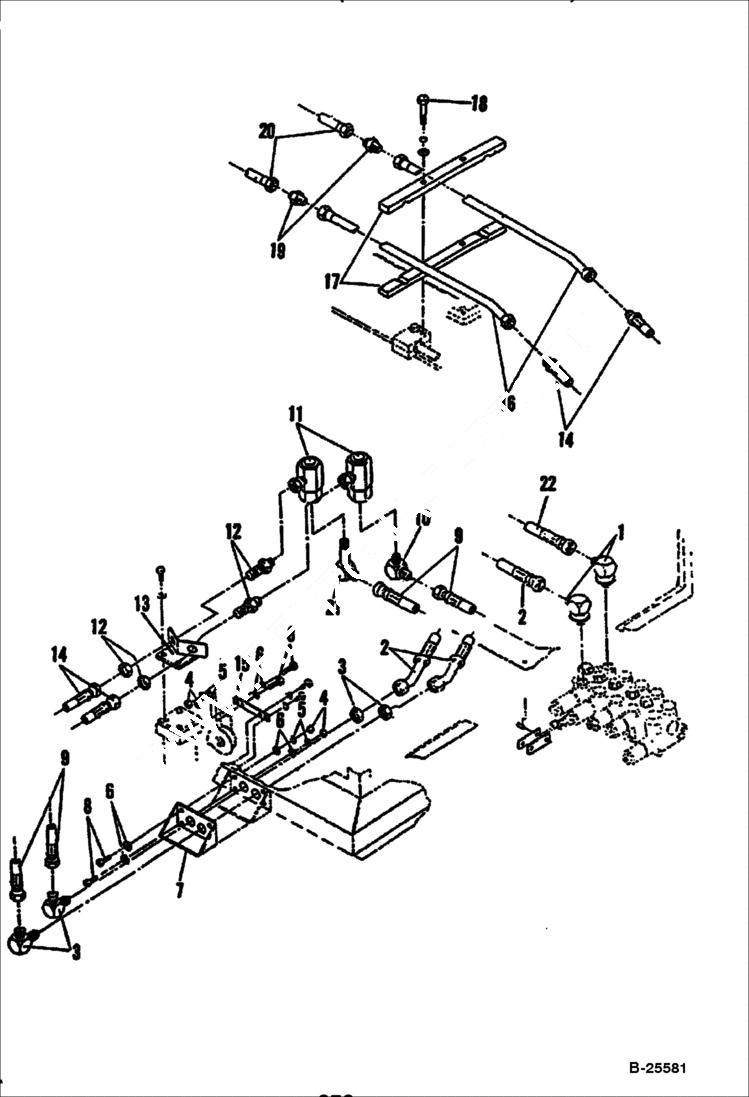
BREAKER (Hydraulic Circuitry) (1250X) (2500) (Use on 100 504911001 - 11999)
№
Артикул
Название
Примечание
Количество
1
ELBOW NLA - Was 6651734 - A
2
6652408
HOSE
3
6651739
ELBOW
4
85D5
NUT 5
5
4E5
WASHER Was 25E-5 - A
6
25E16
WSHR
7
6651740
BRACKET
8
17C516
BOLT
9
6652409
10
6652410
11
6651373
12
6652412
CONNECTOR
13
6652413
14
6652414
15
BRACKET NLA - Was 6652415 - A
16
6652416
TUBE
17
6652417
CLAMP
18
1CM1065
19
6651383
ADAPTER
20
6652418
21
6652411
22
6652432
Выбрано товаров: 0