Запчасти Bobcat BREAKERS BREAKER (Hydraulic Circuitry W/Valves) (1250X) (2500) (Use on 100 504911001 - 11999) Экскаваторы

Схема запчастей Bobcat BREAKERS - BREAKER (Hydraulic Circuitry W/Valves) (1250X) (2500) (Use on 100 504911001 - 11999) Экскаваторы
FIT
1:1
100%

Артикул

Название

Примечание

Количество

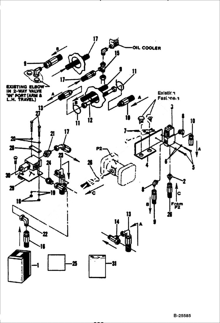
1

KIT NLA

2

6651358

ADAPTER

3

6651355

VALVE 3-Way aux.

4

6652427

BRACKET

5

17C432

BOLT

6

25E14

WSHR

7

85D4

NUT 5

8

6650560

ELBOW

9

6652428

HOSE

10

6652429

HOSE

11

6652051

STA STRAP

12

6652568

TUBE

13

6652431

HOSE

14

6650567

TEE

15

6652437

TEE

16

6652408

HOSE

17

6652436

HOSE

18

85D5

NUT 5

19

23E5

L WASHER

20

25E16

WSHR

21

6633687

ADAPTER

22

6652430

ELBOW

23

6652432

HOSE

24

6651743

CONNECTOR

25

6652063

DECAL Auxiliary circuitry

26

6652426

HOSE

27

17C544

BOLT

28

6652435

PLATE

29

6652434

BRACKET

30

6652433

VALVE 2-way

Выбрано товаров: 30