Запчасти Bobcat BREAKERS BREAKER (Cooler) (1250X) (2500) (Use on 100 504911001 - 11999) Экскаваторы

Схема запчастей Bobcat BREAKERS - BREAKER (Cooler) (1250X) (2500) (Use on 100 504911001 - 11999) Экскаваторы
FIT
1:1
100%

Артикул

Название

Примечание

Количество

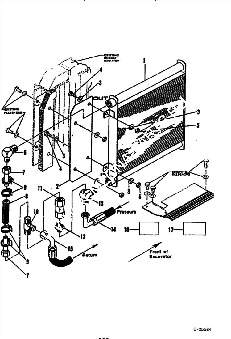
1

6651339

COOLER

2

6651340

BRACKET L.H.

3

25E18

WASHER

4

17C616

BOLT 5

5

85D6

NUT, 5

6

6652440

ELBOW

7

6651342

TUBE

8

6651344

HOSE

9

6652441

CLAMP

10

6652442

TEE

11

6651346

VALVE check

12

6651347

ADAPTER

13

6652443

ELBOW

14

6652444

HOSE

15

6652445

HOSE

16

6652446

GUARD

17

6652447

GUARD

Выбрано товаров: 0