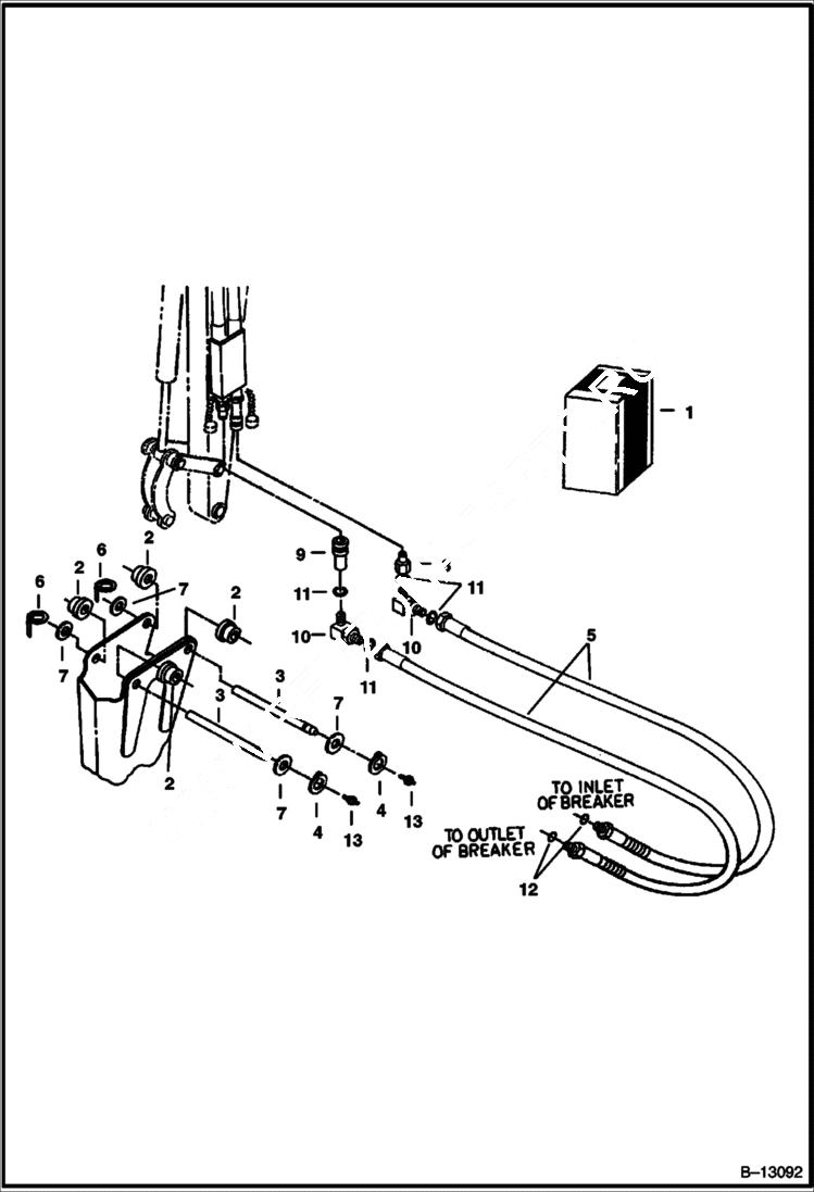
Запчасти Bobcat BREAKERS BREAKER (Mounting Kit) (1250X) (Use on 220 508211001 - 11999) Экскаваторы

Схема запчастей Bobcat BREAKERS - BREAKER (Mounting Kit) (1250X) (Use on 220 508211001 - 11999) Экскаваторы
FIT
1:1
100%

Артикул

Название

Примечание

Количество

1

KIT NLA - breaker mounting - W/Ref. 2-12 - Order individual Parts

2

6533931

BUSHING

3

6533940

PIN some pins don't have grease holes

4

6534656

SNAP RING

5

6534793

HOSE W/Ref. 12

6

6560382

PIN, LOCK retaining

7

6599489

WASHER

8

COUPLER NLA - Male - Poppet Style - Was 6630093 - A

8

6667806

COUPLER Male - Flush Face

9

COUPLER NLA - Female - Poppet Style - Was 6630092 - A

9

6667805

COUPLER, FF FEMALE straight

10

17K6

ELBOW W/Ref. 11 - Was 17K000008B - A

11

79K8

O RING 10 Was 79K000012B - A

12

79K10

O RING 10

13

10H25

FITTING, GREASE 5

Выбрано товаров: 0